This thread has been locked.

If you have a related question, please click the "Ask a related question" button in the top right corner. The newly created question will be automatically linked to this question.

[参考译文] TMS320F28P650DK:我想了解 C2000 MCU VREFHI 驱动器设计。

Guru**** 2763595 points

Other Parts Discussed in Thread: OPA388-Q1, OPA328, REF34-Q1

请注意,本文内容源自机器翻译,可能存在语法或其它翻译错误,仅供参考。如需获取准确内容,请参阅链接中的英语原文或自行翻译。

https://e2e.ti.com/support/microcontrollers/c2000-microcontrollers-group/c2000/f/c2000-microcontrollers-forum/1590262/tms320f28p650dk-i-would-like-to-know-about-c2000-mcu-vrefhi-driver-design

器件型号: TMS320F28P650DK
主题中讨论的其他器件: OPA328REF34-Q1、OPA388-Q1

您好、

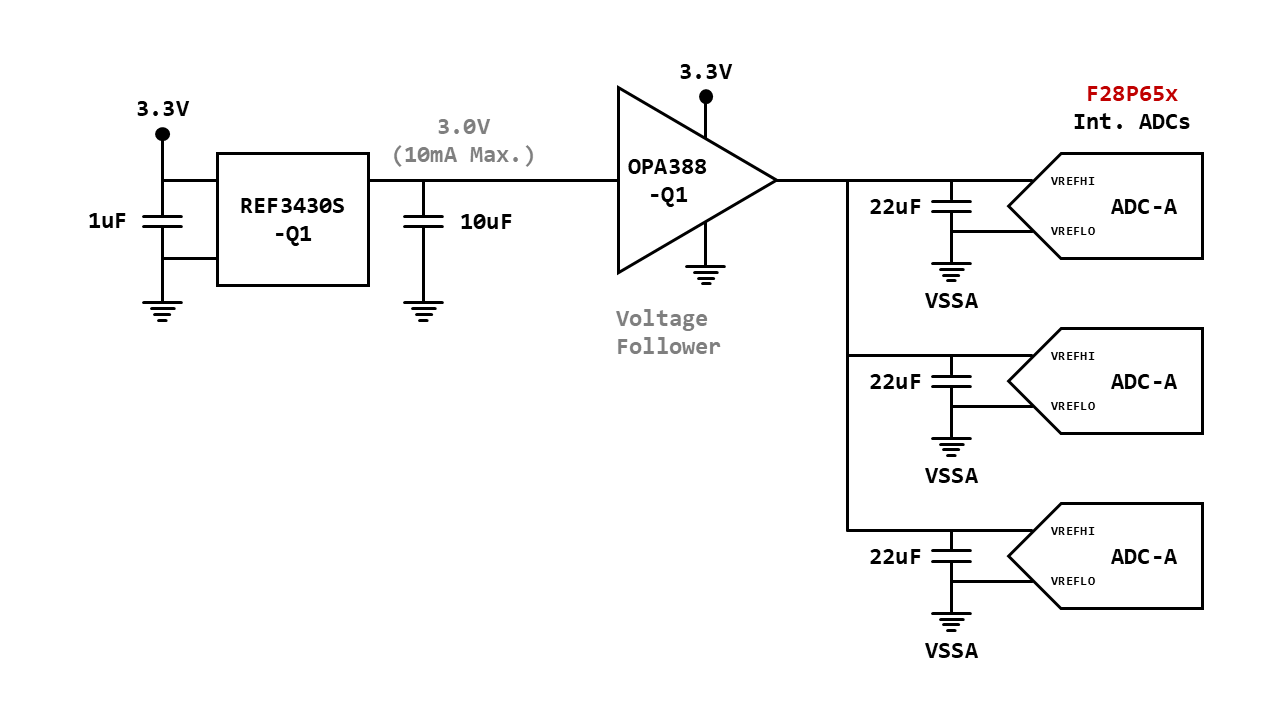
我计划按如下方式配置外部基准电压电路、以在 12 位或 16 位模式下驱动 F28P650DK9 MCU 的片上 ADC 模块。

在继续进行相关设计的同时、我搜索了参考材料、并找到了“C2000 ADC 的 VREFHI 驱动器设计 (spraby5)“应用手册。 我回顾了其内容。 该文档说明了在设计 VREFHI 驱动器电路时、使用运算放大器。 AMP (OPA328) 采用零交叉技术作为基准电压输出的电压跟随器、可以以出色的性能驱动 C2000 MCU 片上 ADC。

在我看来、如果我通过旁路电容器将 REF34-Q1 元件的电压输出直接连接到 F28P65x 的 VREFHI 端口、那么不应该存在重大问题、前提是基准电压源和 F28P65x 的 VREFHI 输入端口之间的距离已尽可能短。

我想知道是否有文档详细说明了 spraby5 应用手册中提到的两个电路(非缓冲基准与缓冲基准)之间的差异、重点介绍了 ADC 结果质量。 或者、我想知道是否有任何文档解释了在 16 位差分输入模式下使用非缓冲基准电路运行 F28P65x 的片上 ADC 模块时可能出现的潜在问题或错误率。

最后、如果强烈建议在基准电压输出中使用电压跟随器、请检查是否可以使用 OPA388-Q1 来代替应用手册中建议的 OPA328。

此致、
Sang-il

  • 请注意,本文内容源自机器翻译,可能存在语法或其它翻译错误,仅供参考。如需获取准确内容,请参阅链接中的英语原文或自行翻译。

    您好:

    该主题已分配给专家以供进一步审查和采取行动。 请注意、由于假日季节的原因、我们团队的响应时间可能会比平时慢。 我们将尽快回复您、感谢您对此事的理解。
    感谢您的查询,我们期待尽快为您提供帮助。

    此致、
    Zackary Fleenor

  • 请注意,本文内容源自机器翻译,可能存在语法或其它翻译错误,仅供参考。如需获取准确内容,请参阅链接中的英语原文或自行翻译。

    是的、我明白。

    我将等到提供了其他答案。

    有一个很棒的假期。

    谢谢你。

  • 请注意,本文内容源自机器翻译,可能存在语法或其它翻译错误,仅供参考。如需获取准确内容,请参阅链接中的英语原文或自行翻译。

    嗨、Sang-il、

    “非缓冲“电路与“缓冲“电路之间的主要区别在于 VREFHI 在 SAR ADC 快速瞬态基准电流脉冲期间保持稳定的程度。 SPRABY5 总结的内容是、非缓冲基准“足够“最多三个 ADC 用于 12 位(单端和差分)、最多三个 ADC 用于 16 位单端、但建议对 16 位差分进行缓冲。

    如果您要直接尝试 REF34-Q1、则通过使用快速示波器探测 VREFHI 进行验证、以检查与转换相关的纹波/压降、并比较 ADC FFT/SNR/ENOB 与预期值。

    最后、如果使用所选 CREF/布局进行稳定性检查看起来很干净、那么 OPA388-Q1 是一个合理的选择。

    此致、

    Masoud

  • 请注意,本文内容源自机器翻译,可能存在语法或其它翻译错误,仅供参考。如需获取准确内容,请参阅链接中的英语原文或自行翻译。

    感谢您的答复。 我将根据您提供的信息继续进行测试。