Other Parts Discussed in Thread: DP83640, DP83848J
主题中讨论的其他器件:DP83640、 DP83848J
您好!
我们目前使用的是具有 F28388D 处理器的 DP83640 PHY。
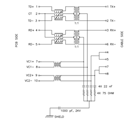
由于供应链问题、我们将在不同的 PHY 中进行设计。 我们的 CPU 和处理器位于定制 SOM 模块上、可插入各种产品中使用的大量定制载板。 因此、我们首选的 PHY 应与现有应用载波板上的(电流模式)磁性元件兼容。
我们的选择(基于当今对配电和电源的看法)是 TI 的 DP83848J PHY。 在购买这些 PHY 的大型电源之前、我们有几个问题:
- 此 PHY 是否已与 F2838X 处理器配合使用、如果是、新设计是否存在任何已知问题/疑虑?
- 如果它没有被使用、它是否应该兼容、是否有任何问题?
- 在迁移到此新 PHY 时、是否有理由期望在我们的末尾更改 FW 和/或定制寄存器集?
- 我们确实看到 DP83848器件与 DP83640不同之处在于它没有中断输出引脚。 从您的角度来看、这是否是一个问题? 我们认为这不是问题、因为我们将其用作断电功能、而不是中断。
我们一如既往地感谢您在这方面的帮助。
谢谢
Mike

