This thread has been locked.

If you have a related question, please click the "Ask a related question" button in the top right corner. The newly created question will be automatically linked to this question.

[参考译文] TMS320F2808:程序相似但行为不同

Guru**** 2387080 points
Other Parts Discussed in Thread: TMS320F2808, UNIFLASH
请注意,本文内容源自机器翻译,可能存在语法或其它翻译错误,仅供参考。如需获取准确内容,请参阅链接中的英语原文或自行翻译。

https://e2e.ti.com/support/microcontrollers/c2000-microcontrollers-group/c2000/f/c2000-microcontrollers-forum/1044641/tms320f2808-similar-program-but-different-behavior

器件型号:TMS320F2808
主题中讨论的其他器件: UNIFLASH

您好!

我们从 Mouser 订购了20个 TMS320F2808控制器、因为只有5个控制器在同一定制硬件中与同一软件完美配合。

我们 正在   使用 Uniflash 在所有控制器中使用 XDS100v3 (Olimex)加载相同的固件(*。out)文件、并在具有相同硬件设计的不同电路板中尝试、然后我们发现只有部分控制器工作正常、没有错误。

硬件具有控制器的错误指示灯。 如果发生错误、CAN 通信将失败。 我们在此项目中使用2个 CAN。

电路板1测试成功、没有错误。 显示错误指示的电路板2。 我们用电路板2 TMS 控制器替换了电路板1 TMS 控制器、并对其进行了重新编程。

但它仍然显示错误指示 LED、CAN 通信失败。   但是、如果我们用经过测试的 OK TMS 替换控制器、它也具有相同的固件、它在电路板1和电路板2中工作正常。

有人能帮助解决这个问题吗?  

我们将在所有控制器中加载相同的固件(*.out)文件。   

_镍氢电池

  • 请注意,本文内容源自机器翻译,可能存在语法或其它翻译错误,仅供参考。如需获取准确内容,请参阅链接中的英语原文或自行翻译。

    Nikhil、

    是否可以测量 系统中用于 CANRX/TX 的 GPIO 到 VDDIO 和 VSS 的电阻?  在进一步研究设计问题之前、我想确保没有短路且 IO 良好。

    由于您使用的是 Uniflash、我假设闪存编程传递正确、也许您可以使用 Uniflash 仅对您的闪存映像执行验证、只是为了确保坏器件上的一切都正确。

    最棒的

    Matthew  

  • 请注意,本文内容源自机器翻译,可能存在语法或其它翻译错误,仅供参考。如需获取准确内容,请参阅链接中的英语原文或自行翻译。

    您好、先生、

    感谢你的答复。

    是否有使用 VDDIO 检查 GPIO 电阻的意义?

    因为我已经在不同的板上尝试过2个微控制器、其中微控制器1在两个板上都能正常工作、而微控制器2在这两个板上不能正常工作。

    (请参考所附图像以获取我尝试过的内容)

    我一定会检查并告知您具有 VDDS 的 GPIO 和具有 VSS 的 GPIO 的电阻结果。

    还有其他需要检查的东西吗?

    遗憾的是、我们没有要调试的固件。 我们只有.out 文件可供下载。

    -Nikhil

  • 请注意,本文内容源自机器翻译,可能存在语法或其它翻译错误,仅供参考。如需获取准确内容,请参阅链接中的英语原文或自行翻译。

    Nikhil、

    是的、我想查看有问题的引脚是否存在物理损坏、这种损坏会表现为对地短路或对电源短路。  这种情况在 TI 的15个新器件上出现是奇怪的、但需要先排除。

    关于.out 文件、我认为您应该能够将其与 Uniflash 结合使用、而不是对器件进行编程、而是执行"验证"以确认器件上的映像与.out 文件匹配。

    所有器件都在发货前进行了测试、以确保它们是良好的器件、因此、任何器件都是不常见的、而且肯定是15/20会像这样出现硬故障。

    最棒的

    Matthew

  • 请注意,本文内容源自机器翻译,可能存在语法或其它翻译错误,仅供参考。如需获取准确内容,请参阅链接中的英语原文或自行翻译。

    您好、先生、

    我 已检查了 VI 范围中的 VI 特征。  

    我已经选择了带有 VDDIO (引脚编号3)和 VSS (引脚编号2)的 CANRxA 和 CANTxA ref。

    请从以下链接中找到 VI 映像。

    https://drive.google.com/drive/folders/19kzm58OwQHqs1_kv3EzMu-qaKMRaHQA8?usp=sharing

    如果您无法访问该文件、请提及您的邮件、我将转发给您。

  • 请注意,本文内容源自机器翻译,可能存在语法或其它翻译错误,仅供参考。如需获取准确内容,请参阅链接中的英语原文或自行翻译。

    Nikhil、
    我将通过 E2E 论坛工具向您发送朋友申请。  这将允许您私下共享/附加文件。

    最棒的

    Matthew

  • 请注意,本文内容源自机器翻译,可能存在语法或其它翻译错误,仅供参考。如需获取准确内容,请参阅链接中的英语原文或自行翻译。

    Nikhil、

      请详细说明您看到的确切错误。 您是否在 CANTX 引脚上未看到任何活动? 您是否了解 了 www.ti.com/lit/spra876?中的调试提示 

    您是否愿意与我私下分享您的电路板原理图? 如果您不想共享整个原理图、请仅分享 CAN 部分。 我想看到 CANTX/CANRX 引脚一直到总线的连接。

    我查看了您发送给 Matt 的 V-I 曲线。 引脚上的 I/O 缓冲器由 VDDIO 引脚提供、而不是由 VDD 引脚提供。  

    我同意 Matt 的说法。 20个器件中有15个发生故障非常罕见。  

  • 请注意,本文内容源自机器翻译,可能存在语法或其它翻译错误,仅供参考。如需获取准确内容,请参阅链接中的英语原文或自行翻译。

    您好、先生、

    我们在这里维修定制的硬件板。 我们的客户电路板之一在解决硬件故障后面临以下问题。

    为了找出我们使用了2块电路板的问题。 电路板1和电路板2。 然后,我们使用相同的文件(file.out)加载或编程了两个板控制器。

    为电路板1供电时、电路板2正常运行 、显示 错误。 错误只是通过继电器指示 LED。 我们完全不知道为什么会发生此错误、也不知道哪个部分会引发错误、因为我们没有固件来调试此问题。

    然后、我们通过将板1 micro1与板2 MICRO2互换进行了一些板载实验。 更换后、我们注意到电路板2中 的故障 MICRO2出现错误指示、但仍显示电路板1中的错误指示。  

    我提到了 CAN、因为如果我们在板上获得错误指示、CAN 通信将无法正常工作/被禁用。 但在同一硬件中,如果我们将 Micro 2替换为 Micro 1,它将在没有错误指示的情况下工作。  

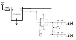
    I/O 与 CAN IC 之间的连接是 一种无需任何电阻器的直接连接。 有关详细信息、请查看随附的图表。

    共享原理图、我必须获得顶层的许可。 关于这一点、我将告诉您详细信息。

    注:此主板还处理其它外设,例如 ADC、串行通信等

    谢谢,

    Nikhil

     

  • 请注意,本文内容源自机器翻译,可能存在语法或其它翻译错误,仅供参考。如需获取准确内容,请参阅链接中的英语原文或自行翻译。

    Nikhil、

      基本而言、您所说的是 MCU 之后的误差。 从某种意义上讲、该误差是"永久性"的、一旦特定器件出现故障、即使您将其焊接在已知良好的电路板上、它也不会再次工作。 是这样吗?

    "坏"设备是否正常工作? 或者、他们是否在第一次将这个问题放置在电路板上时正确地展示了这个问题?

  • 请注意,本文内容源自机器翻译,可能存在语法或其它翻译错误,仅供参考。如需获取准确内容,请参阅链接中的英语原文或自行翻译。

    Nikhil、

      通过呼叫讨论此问题可能更节省时间。 我目前在印度、将能够支持日间通话。 请发送友谊请求、我将设置一个电话。

  • 请注意,本文内容源自机器翻译,可能存在语法或其它翻译错误,仅供参考。如需获取准确内容,请参阅链接中的英语原文或自行翻译。

    您好、先生、

    问:您所说的是 MCU 之后的错误。 从某种意义上讲、该误差是"永久性"的、一旦特定器件出现故障、即使您将其焊接在已知良好的电路板上、它也不会再次工作。 是这样吗?

    答:是的,先生。 一旦 MCU 满足错误条件、即使我们用良好的电路板替换硬件、也不会出现问题。

    问: “坏”设备是否正常工作? 或者、他们是否在第一次将这个问题放置在电路板上时正确地展示了这个问题?

    答:我们从 mouser.com 购买了 MCU,并且 MCU 是第一次在板上进行编程。

  • 请注意,本文内容源自机器翻译,可能存在语法或其它翻译错误,仅供参考。如需获取准确内容,请参阅链接中的英语原文或自行翻译。

    您好!

    我已向您发送友谊请求..  请检查...

  • 请注意,本文内容源自机器翻译,可能存在语法或其它翻译错误,仅供参考。如需获取准确内容,请参阅链接中的英语原文或自行翻译。

    Nikhil、

      如调用中所述、您不能在任何电源引脚上使用串联电阻器。 这是一个重大的否定

  • 请注意,本文内容源自机器翻译,可能存在语法或其它翻译错误,仅供参考。如需获取准确内容,请参阅链接中的英语原文或自行翻译。

    您好、先生、

    感谢您的指导。

    正如您在呼叫中提到的、我们正在跟踪所有电源引脚与稳压器的连接。 如果存在任何电阻器、我们绝对会移除电阻器、并将其替换为0欧姆电阻器。 希望可以。

    您还告诉我们、您可以使用我们的硬件来检查 Code compressor studio。

    您是否不介意指导您检查什么? 以便我可以检查 结果并给您回复。

  • 请注意,本文内容源自机器翻译,可能存在语法或其它翻译错误,仅供参考。如需获取准确内容,请参阅链接中的英语原文或自行翻译。

    我们有 Code Composer Studio 8.1.0。

    我们将 Uniflash 与 XDS100v3搭配使用以下载映像。

  • 请注意,本文内容源自机器翻译,可能存在语法或其它翻译错误,仅供参考。如需获取准确内容,请参阅链接中的英语原文或自行翻译。

    Nikhil、

        VDDIO 引脚上的串联电阻短路后、您观察到了什么? 这对我来说非常重要。 我对"错误"到底是什么仍然没有很好的理解。 在我们了解错误的性质之前、建议很难进行未来的实验。 您能够对"有缺陷"的器件进行编程这一事实告诉我、该器件在很大程度上是正常的。  

  • 请注意,本文内容源自机器翻译,可能存在语法或其它翻译错误,仅供参考。如需获取准确内容,请参阅链接中的英语原文或自行翻译。

    Nikhil、

      有更新吗?

  • 请注意,本文内容源自机器翻译,可能存在语法或其它翻译错误,仅供参考。如需获取准确内容,请参阅链接中的英语原文或自行翻译。

    主席先生,

    我们已根据您的建议从 VDD 引脚上移除电阻器进行了检查。 但结果与之前相同。 显示错误指示的器件仍显示错误。

    为了更好地说明问题、我将在您的个人消息框中发送有关 OK 和 Error Board power on 状态的视频。

    如果您仍感到困惑、请检查并告知我。

  • 请注意,本文内容源自机器翻译,可能存在语法或其它翻译错误,仅供参考。如需获取准确内容,请参阅链接中的英语原文或自行翻译。

    我的建议是不要从 VDD 引脚"移除"电阻器。 我的建议是将 VDDIO 引脚上的电阻器短路。  我看了您发送的视频、但我不确定我看到的是什么。

  • 请注意,本文内容源自机器翻译,可能存在语法或其它翻译错误,仅供参考。如需获取准确内容,请参阅链接中的英语原文或自行翻译。

    主席先生,

    我们将100k 电阻替换为0欧姆电阻。 很抱歉造成误解。

  • 请注意,本文内容源自机器翻译,可能存在语法或其它翻译错误,仅供参考。如需获取准确内容,请参阅链接中的英语原文或自行翻译。

    Nikhil、

    是否可以在电路板上组装和不组装 CAN 收发器的情况下探测您先前原理图上 F2808上的引脚6/7?  我想看看我们是否看到任何不规则的电压电平(不是0或3.3V)、这意味着我们在引脚上没有得到正确的值。

    如果我们看到这些引脚上的良好/不良 C2000有任何差异、那么另一件事是不安装 CAN 收发器(或者至少断开了到 C2000的连接)。

    您是否也能够共享收发器的 PN?

    最棒的

    Matthew

  • 请注意,本文内容源自机器翻译,可能存在语法或其它翻译错误,仅供参考。如需获取准确内容,请参阅链接中的英语原文或自行翻译。

    Nikhil、

       请与我私下分享完整的原理图。 为了节省时间、请发起2个或3个可疑装置返回给 TI。

  • 请注意,本文内容源自机器翻译,可能存在语法或其它翻译错误,仅供参考。如需获取准确内容,请参阅链接中的英语原文或自行翻译。

    HELO MathewRate SIR、

    我一定会检查器件上引脚6/7的电压电平、并告知您。

    请原谅我先生也不知道收发器的 PN。

    Nikhil。

  • 请注意,本文内容源自机器翻译,可能存在语法或其它翻译错误,仅供参考。如需获取准确内容,请参阅链接中的英语原文或自行翻译。

    您好、Haresh 先生、

    为了共享原理图、我需要获得顶层的许可。 我会询问并告知您。

    根据我们之前的电话讨论、我们计划通过 mouser 将 DSP 控制器返回给 TI。

    我将更新您的状态。

    _镍氢电池

  • 请注意,本文内容源自机器翻译,可能存在语法或其它翻译错误,仅供参考。如需获取准确内容,请参阅链接中的英语原文或自行翻译。

    Nikhil、

      我将等待原理图和可疑装置。