This thread has been locked.

If you have a related question, please click the "Ask a related question" button in the top right corner. The newly created question will be automatically linked to this question.

[参考译文] TMS320F2812:EvaRegs.COMCONA.bit.CLD =0/1的不同影响是什么?

Guru**** 2546020 points
Other Parts Discussed in Thread: TMS320F2812

请注意,本文内容源自机器翻译,可能存在语法或其它翻译错误,仅供参考。如需获取准确内容,请参阅链接中的英语原文或自行翻译。

https://e2e.ti.com/support/microcontrollers/c2000-microcontrollers-group/c2000/f/c2000-microcontrollers-forum/976188/tms320f2812-what-s-the-different-impact-for-evaregs-comcona-bit-cld-0-1

器件型号:TMS320F2812

您好!

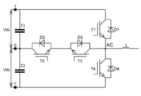
应用是采用 TMS320F2812的光伏逆变器。   e2e.ti.com/.../EVA.EVB_BE8B6E7F_.txt

代码附在此处。 拓扑如下所示。  

黄色表示电流、绿色表示 T4的 PWM。 下图中标记的红色圆圈表示观察到的异常现象。 脉冲占空比应小于其左侧的占空比、但实际上占空比为50%(100us)。 电流也会停止并显示出大下冲。

可通过更改中的配置代码来解决这种异常现象  

EvaRegs.COMCONA.bit.CLD=1;

EvbRegs.COMCONB.bit.CLD=1;

更改为

EvaRegs.COMCONA.bit.CLD=0;

EvbRegs.COMCONB.bit.CLD=0;

问题:

我需要保持  

EvaRegs.COMCONA.bit.CLD=1;

EvbRegs.COMCONB.bit.CLD=1;

但知道异常的原因是什么、如何避免呢?

  • 请注意,本文内容源自机器翻译,可能存在语法或其它翻译错误,仅供参考。如需获取准确内容,请参阅链接中的英语原文或自行翻译。

    苔丝,

    这些类型的问题通常会发生、因为计数器值已跳过某些计数器事件。 您是否有任何修改计数器值的代码片段?

    其次、当您看到误差时、计数器值是多少? 它可能为零吗? 在几个旧器件上、在定时器值= 0上载入新的比较值之前、将检查比较值=到定时器值。 这意味着、如果您在0加载了0值、则事件将会丢失。 如果您不需要0%Duty、则可能可以检查您的值是否始终为0、并查看错误是否消失。

    此致、
    Cody