This thread has been locked.

If you have a related question, please click the "Ask a related question" button in the top right corner. The newly created question will be automatically linked to this question.

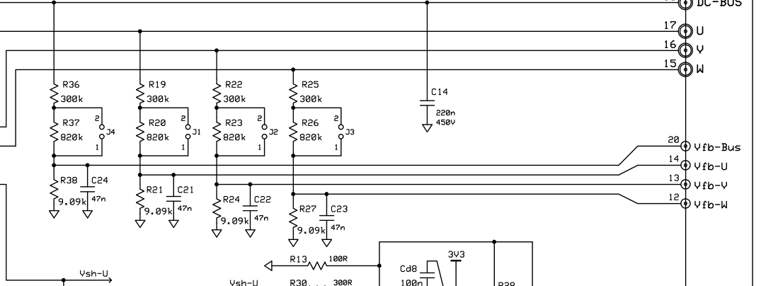
[参考译文] TMDSHVMTRPFCKIT:此电路能否收集相电压

Guru**** 2582405 points


请注意,本文内容源自机器翻译,可能存在语法或其它翻译错误,仅供参考。如需获取准确内容,请参阅链接中的英语原文或自行翻译。

https://e2e.ti.com/support/microcontrollers/c2000-microcontrollers-group/c2000/f/c2000-microcontrollers-forum/918275/tmdshvmtrpfckit-can-this-circuit-collect-the-phase-voltage

器件型号:TMDSHVMTRPFCKIT

您好的团队:

在下面的电路中、可以收集 u 和接地之间的电压。 那么、该电路能否收集相电压?

此致

  • 请注意,本文内容源自机器翻译,可能存在语法或其它翻译错误,仅供参考。如需获取准确内容,请参阅链接中的英语原文或自行翻译。

    此电路用于感测相位和中性点(接地)之间的电压、不能用于感测线对线的电压。