This thread has been locked.

If you have a related question, please click the "Ask a related question" button in the top right corner. The newly created question will be automatically linked to this question.

[参考译文] TMS320F280049C:有关 Compss 实现 ePWM TZ CBC 的问题以及 TMS320F280049的 ePWM X-BAR

Guru**** 2553570 points


请注意,本文内容源自机器翻译,可能存在语法或其它翻译错误,仅供参考。如需获取准确内容,请参阅链接中的英语原文或自行翻译。

https://e2e.ti.com/support/microcontrollers/c2000-microcontrollers-group/c2000/f/c2000-microcontrollers-forum/778301/tms320f280049c-a-question-about-realize-epwm-tz-cbc-by-compss-and-epwm-x-bar-for-tms320f280049

器件型号:TMS320F280049C

大家好

    问题描述:

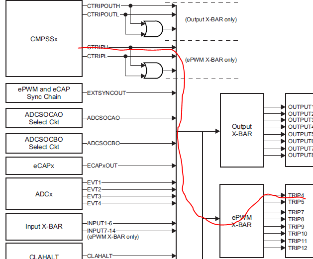
         我想使用 Compss 寄存器 、ePWM X-BAR 和 ePWM TZ CBC 子模块来实现电流限制。 但我失败了。

我的想法 描述为 参考手册显示:

红色线之类的方法显示 了。

 寄存器按 如下方式配置密钥代码:


因此、请帮助查找导致其不起作用的故障。 谢谢

  • 请注意,本文内容源自机器翻译,可能存在语法或其它翻译错误,仅供参考。如需获取准确内容,请参阅链接中的英语原文或自行翻译。
    好的、我找到了结果。 我没有配置模拟子系统。
  • 请注意,本文内容源自机器翻译,可能存在语法或其它翻译错误,仅供参考。如需获取准确内容,请参阅链接中的英语原文或自行翻译。

    您好 Steven、

    您能否告诉我您的应用中哪个部件发生了故障?

    此外、您将哪个引脚用作 CMPSS 正输入? 我看到您提到了引脚12。 您使用的是哪种电路板?

    谢谢

    Vasudha