This thread has been locked.

If you have a related question, please click the "Ask a related question" button in the top right corner. The newly created question will be automatically linked to this question.

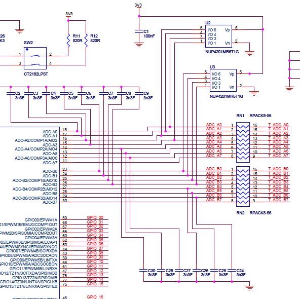
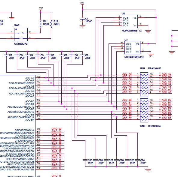
[参考译文] TMDSCNCD28035ISO:ADC 引脚与电阻器、电容器和保护芯片 NUP4201MR6T1G 相连

Guru**** 2535750 points
Other Parts Discussed in Thread: TMDSCNCD28035ISO, TMDSCNCD28379D, TPD4E001-Q1

请注意,本文内容源自机器翻译,可能存在语法或其它翻译错误,仅供参考。如需获取准确内容,请参阅链接中的英语原文或自行翻译。

https://e2e.ti.com/support/microcontrollers/c2000-microcontrollers-group/c2000/f/c2000-microcontrollers-forum/757073/tmdscncd28035iso-adc-pin-connected-with-resistors-capacitors-and-protection-chip-nup4201mr6t1g

器件型号:TMDSCNCD28035ISO
主题中讨论的其他器件: TMDSHVMTRPFCKITTMDSCNCD28379DTPD4E001-Q1

尊敬的 TI 专家:

在 TMDSCNCD28035ISO 的原理图电路中、我发现只有 ADC-A7和 ADC-B7未连接到3.3nF 电容。 有特殊原因吗?

我发现许多 ADC 引脚连接到 NUP4201MR6T1G 芯片、这会保护 ADC 引脚、对吧?  在 TMDSHVMTRPFCKIT 中、我发现3.3V 齐纳二极管用于替代 NUP4201MR6T1Gs、对吧?  3.3V 齐纳二极管是否足以保护 ADC 引脚?  我刚刚发现 DigiKey 说  NUP4201MR6T1G 未投入生产。 你有什么建议吗?

ADC 引脚也需要 RN1和 RN2电阻器、对吧?

期待收到您的回复~

谢谢、

唐汉

 (在 TMDSHVMTRPFCKIT 中)

  • 请注意,本文内容源自机器翻译,可能存在语法或其它翻译错误,仅供参考。如需获取准确内容,请参阅链接中的英语原文或自行翻译。

    在使用保护电路和抗混叠滤波器方面、您是正确的。  至于这些并不在控制卡上的所有 ADC 通道上的原因、它只是根据模拟通道的用例提供旁路通道选项、因为它们是多用途评估板。

    在较新的控制卡上、我们一直在使用这些器件 http://www.ti.com/product/TPD4E001-Q1。  您可以在 C2000 Ware 中 TMDSCNCD28379D 的原理图中看到这些内容  

    最棒的

    Matthew

  • 请注意,本文内容源自机器翻译,可能存在语法或其它翻译错误,仅供参考。如需获取准确内容,请参阅链接中的英语原文或自行翻译。
    尊敬的 Matthew:

    非常感谢您介绍 TPD4E001-Q1、它看起来与 NUP4201MR6T1G 相同、可以直接替换为 NUP4201MR6T1G。

    对于 TMDSCNCD28379D 中的 ADC 引脚、我还发现 R27~R50=0和 C18~C41=DNP。

    这是否意味着用户应自行确定 R27~R50和 C18~C41的合适使用值?

    这是否意味着 R 和 C 组合了一个低通滤波器、该滤波器用作抗混叠滤波器?

    我真的需要您的最终确认。

    再次感谢!

    唐汉
  • 请注意,本文内容源自机器翻译,可能存在语法或其它翻译错误,仅供参考。如需获取准确内容,请参阅链接中的英语原文或自行翻译。

    这是正确的、我们有意将这些值设置为通用值、因为它将非常依赖于系统(即使是在我们自己的使用控制卡的设计上)。 用户应查看源特性、并与内部 ADC 输入模型(数据表内)一起确定用于 LP/Anti-aliasing、缓冲、放大器稳定性等的正确 R/C

    Matt
  • 请注意,本文内容源自机器翻译,可能存在语法或其它翻译错误,仅供参考。如需获取准确内容,请参阅链接中的英语原文或自行翻译。
    尊敬的 Matt:
    我很高兴收到你的友好和专业的答复。
    你教了我很多。
    祝你新年愉快!
    唐汉