主题中讨论的其他器件:UCD3138
尊敬的 C2000专家:
我开始评估电源上的 F28004x,现在我想知道 F280049是否支持以下逐周期(CBC)保护功能。
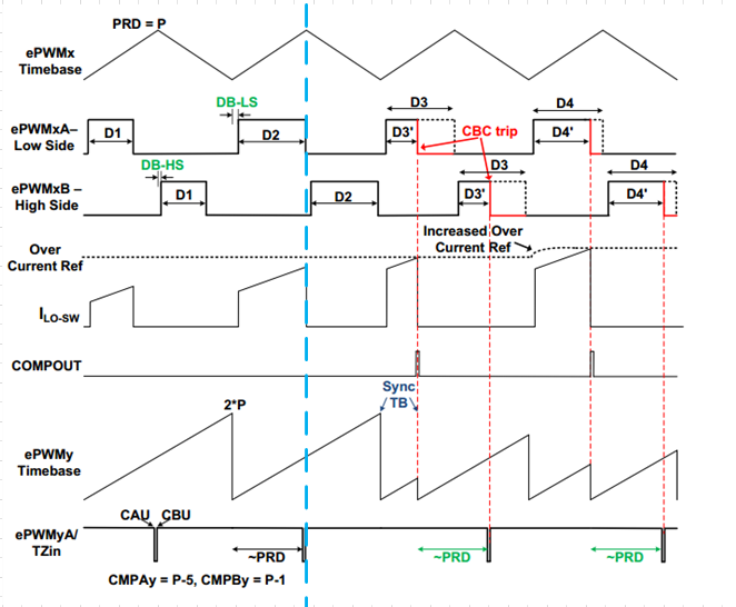
1:CBC 发生时的占空比匹配特性。 我将使用相同的占空比、180度相位来配置 ePWMxA 和 ePWMxB。 这意味着 ePWMxB 落后于 ePWMxA 半个周期。 我需要的是、当 CBC 出现在 ePWMxA 上时、ePWMxB 应该与 ePWMxA 保持相同的脉冲宽度、反之亦然。 如何配置器件以支持此功能?
下面是我想要的波形、CBC 出现在 EPWM1A 上、EPWM1B 应保持与 EPWM1A 相同的脉冲宽度、这是可行的吗?
2、在接收到大量连续 CBC 事件后需要锁存 EPWM、并且 EPWM 应因 CBC 事件而跳闸。
下面的波形显示了我想要的、ePWMxA 应该在连续3个 CBC 事件后被锁存、这是可行的吗?
3.f28003?TRM 中‘基于周期的硬件锁定(同步)相位关系’的含义是什么?
4.‘故障条件下的逐周期跳闸和单次跳闸的可编程跳闸区域分配的含义。’ 在 f2800?trm 中?
谢谢。。。

