This thread has been locked.

If you have a related question, please click the "Ask a related question" button in the top right corner. The newly created question will be automatically linked to this question.

[参考译文] TMDSCNCD28379D:TMDSCND280049C

Guru**** 2770885 points

Other Parts Discussed in Thread: TMDSCNCD280049C, C2000WARE, TMDSCNCD28379D

请注意,本文内容源自机器翻译,可能存在语法或其它翻译错误,仅供参考。如需获取准确内容,请参阅链接中的英语原文或自行翻译。

https://e2e.ti.com/support/microcontrollers/c2000-microcontrollers-group/c2000/f/c2000-microcontrollers-forum/1202079/tmdscncd28379d-tmdscnd280049c

器件型号:TMDSCNCD28379D
主题中讨论的其他器件:TMDSCNCD280049CC2000WARE

我比较了控制板280049和379的引脚。

但是、以前的120引脚似乎完全相同。

唯一的区别是379有多60个 GPIO 输出。

DAB 产品上有板上的180个引脚。 那么、我想知道能否直接使用379控制板? (不使用后60个引脚)

e2e.ti.com/.../049.pdfe2e.ti.com/.../379.pdf

  • 请注意,本文内容源自机器翻译,可能存在语法或其它翻译错误,仅供参考。如需获取准确内容,请参阅链接中的英语原文或自行翻译。

    尊敬的 Fan:

    是的、通过查看 HSEC 连接器、您可以跳过底部60个引脚、而只使用120个引脚。

    但要确保 F280049C 控制卡是引脚对引脚兼容的、以取代 用于 DAB 应用的 F28379。  

    此致!

    Uttam

  • 请注意,本文内容源自机器翻译,可能存在语法或其它翻译错误,仅供参考。如需获取准确内容,请参阅链接中的英语原文或自行翻译。

    Uttam 您好、

    感谢您的答复。  

    如何检查  F280049C controlCARD 是否引脚对引脚兼容?

    我不能完全理解我上传的2个 pdf 文件。 您能更详细地解释一下吗?

    非常感谢。

    最棒的餐厅

  • 请注意,本文内容源自机器翻译,可能存在语法或其它翻译错误,仅供参考。如需获取准确内容,请参阅链接中的英语原文或自行翻译。

    尊敬的 Fan:

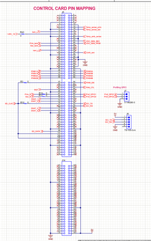
    在以下位置、您可以找到用于 F280049C 控制卡的120引 脚排列 PDF、并将其与用于 F28379D 控制卡的180引脚排列进行比较。  

    C:\ti\c2000\c2000Ware_4_03_00_00\boards\controlCARDs\TMDSCNCD280049C\A

    C:\ti\c2000\c2000Ware_4_03_00_00\boards\controlCARDs\TMDSCNCD28379D\R1_3

    检查所有 PWM、ADC 是否使用任何差分信号、是否在正确的引脚上进行通信等。

    尽管我们保留了 PWM、ADC 和控制卡上任何通信的标准位置。 根据应用从您的终端进行验证是很好的做法。

    此致!

    Uttam