主题中讨论的其他器件:PMP23126
您好!
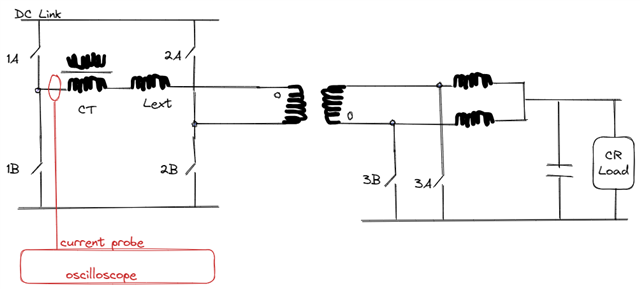
我现在在实验室对开环 PCMC 控制的 PSFB-CDR 板进行测试。 它是 TR 滞后驱动拓扑。 我在下面显示了我的驾驶方案。
我只需向 CMPSS 提供一个最大值、然后更改、增加输入电压。 负载是双向负载、可以 接受电流。


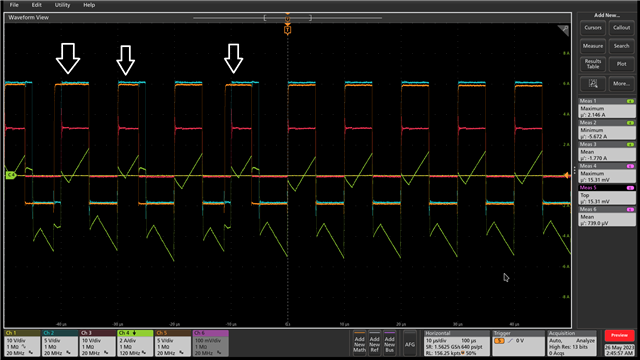
在测试期间、我获得了以下波形;这种情况发生在最大占空比(未达到峰值)期间、以限制峰值电流边界(峰值电流限制占空比)。

蓝色为 VGS、2B -橙色为 VGS、1A -红色 VDS、3B -绿色为匀场电感器上的电流。
在测试条件下、Vin 和 Vout 处于 CV 模式、我的 PSFB 电路板通过 PCMC 策略限制输入电流。
占空比时间不匹配会导致变压器电流具有负平均电流、从而使变压器工作。
您能对此提供帮助吗?
这是正常占空比控制相位波形、很好、但我在检测线上也有负的直流电流。

您能为这些问题提供帮助吗?























