请注意,本文内容源自机器翻译,可能存在语法或其它翻译错误,仅供参考。如需获取准确内容,请参阅链接中的英语原文或自行翻译。
器件型号:TMS320F28075 您好、专家!
我要求在这里为我的客户提供帮助。
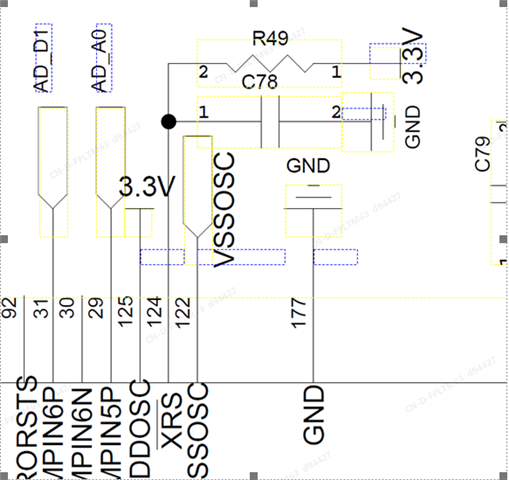
他们返回一个出现故障的 F28075电路板 在运行一段时间后无法正常工作。 测试了下面的 VDDIO/XRSn、VDD 波形:
F28075板出现故障。 (VDDIO/XRSn 正常、时钟输出正常、VDD 始终为低电平)。
CH1 (黄色 Ω-黄色) VCC + 3.3V、 CH2 (绿色- 蓝色) XRSn+1.2V、CH3 ( -蓝色) VCC
C78 100nF R49 4.7Kohm

VDD 在 VREGN 内部、电源正常、时钟正常、但 XRSn 为低电平。 该故障电路板以前正常工作、但在运行一段时间后、XRSn 始终为低电平。
您能在这里提供一些建议吗? 谢谢。