工具与软件:
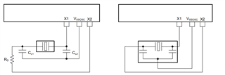
根据 TMS320F28P65x 实时微控制器的第6.12.3.4.5节:负电阻:1. 在 XCLKOUT 上引出 XTAL。 2.在负载电容器之间放置一个与晶体串联的电位器。 3.增加电位器的电阻直到 XCLKOUT 上的时钟停止。 4.这个电阻加上晶振的实际 ESR 就是电振荡器的负电阻。
电位器(可变电阻器)具体是如何连接的、您能否简单画出连接图? 我将可变电阻器的一端连接到负载电容器、另一端连接到晶体振荡器、但调节可变电阻器没有效果。 我想问一下原因是什么? 测试方案是否有问题? 谢谢!



