请注意,本文内容源自机器翻译,可能存在语法或其它翻译错误,仅供参考。如需获取准确内容,请参阅链接中的英语原文或自行翻译。
器件型号:TMDSHVMTRINSPIN 工具与软件:
您好!
我发现击穿保护电路如下所示。

TI 是否有任何单个 IC 可用于实现此逻辑
This thread has been locked.
If you have a related question, please click the "Ask a related question" button in the top right corner. The newly created question will be automatically linked to this question.
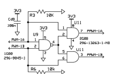
工具与软件:
您好!
我发现击穿保护电路如下所示。

TI 是否有任何单个 IC 可用于实现此逻辑
您或许应该切换一个 C2000 MCU
下面是一个具有此功能的栅极驱动器示例