工具与软件:
您好!
是否有支持3通道 EXTSYNCIN 的器件?
谢谢。
This thread has been locked.
If you have a related question, please click the "Ask a related question" button in the top right corner. The newly created question will be automatically linked to this question.
工具与软件:
您好!
是否有支持3通道 EXTSYNCIN 的器件?
谢谢。
您好!
我们需要三个独立的灌电流输入来实现团队的特定目标。
我们要实现的是、
我们希望使用三个逆变器电流的单独过零点作为三个 PWM 的灌电流输入。 (我们希望接收每个电流的过零点作为 PWM 的灌电流输入、并根据每个电流的相位控制 PWM。
请看"图15-8. 时基计数器同步方案"的报告中提到、只有两个 EXTSYNCIN、因此、我认为我们不能简单地实现我们想要的行为。
我们想"通过接收三个独立的外部灌电流输入来单独控制三个 PWM"、但是否可以通过组合 DSP 的各种功能来实现?
此致、
您好!
感谢您的跟进。 嗯、我看到的、你希望三个 ePWM 中的每一个都有单独(和外部)的同步源。
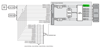
一个选项是、您可以利用 ePWM 的数字比较子模块。 为此、您可以让三个单独的 GPIO 输入(三个单独的同步源)通过 XBAR 路由到数字比较、并将它们用作 DCxEVENT、而 DCxEVENT 可用作 EPWM 的同步源。 下面的反映了路径(来自 ePWM 数字比较子模块 TRM 一章的图)。 如果这对于您的应用而言似乎可行、请告诉我。

此致、
Allison