主题: TLC555中讨论的其他器件
工具/软件:
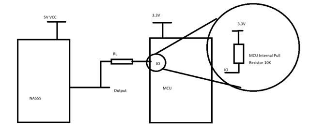
尊敬的团队:

客户未使用 NA555 VCC 上拉 RL、而是使用 MCU 3.3V 为 RL 供电、这是否会影响 NA555的工作条件?
谢谢您、
Yishan Chen
This thread has been locked.
If you have a related question, please click the "Ask a related question" button in the top right corner. The newly created question will be automatically linked to this question.
工具/软件:
尊敬的团队:

客户未使用 NA555 VCC 上拉 RL、而是使用 MCU 3.3V 为 RL 供电、这是否会影响 NA555的工作条件?
谢谢您、
Yishan Chen