Other Parts Discussed in Thread: NE555
尊敬的 exparts:
问题 1: 我们正在考虑更换 555 定时器 (M51843P=>NE555)。 从先前的原理图可以看出、ra=1.5korm、rb=1.5korm、C=0.01uF。 根据数据表 P12 中的公式 (4)、f = 1.44 /{(1.5k + 2 × 1.5k)× 0.01u}= 32kHz。 但是、观察过去使用 M51843P 的电路的输出结果、结果为 16kHz(RA、RB 和 C 不变)。 对于为什么会发生这种双频差、您有什么想法吗? 公式中是否有错误?
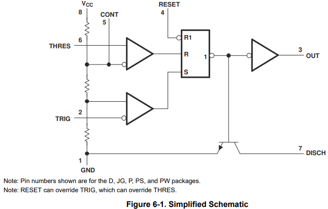
问题 2: 分频器 (6.3.3) 是否遵循以下原则?
- AFF-FF 的 S 输入 RS 为高电平后、1 会输出低电平(OUT 变为高电平)、直到 R 输入为高电平
- 当 OUT 为高电平时、C 被充电、直到 C 上的电压超过 2/3 x Vcc。
- 在此期间、即使脉冲输入到 TRIG 引脚、RS FF 输出也没有变化(保持低电平)、因此分频功能是通过调整时间常数来实现的。
问题 3 为了驱动分频器、我认为必须在时间常数与 TRIG 的输入脉冲周期之间进行平衡。 是否需要满足一个公式才能实现这一目标?

此致、
Hiromu