器件型号: LMK04808
您好、
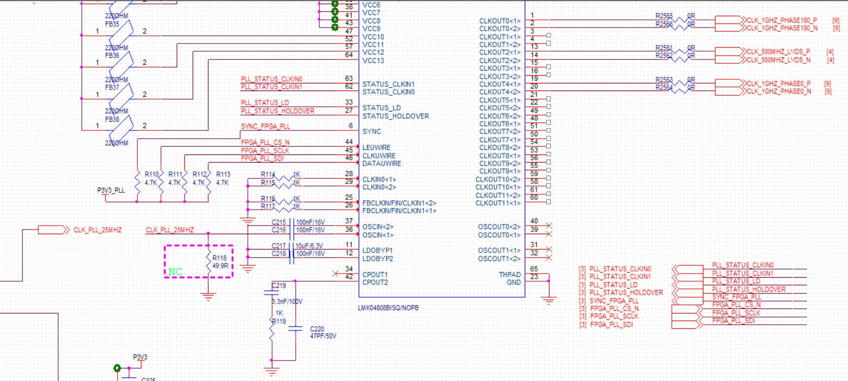
我们正在使用 LMK04808B 生成 1G 和 500m、配置输出时钟为 1.07G 后、您能帮助查看我们的寄存器和环过滤器 2 值吗? 我尝试了另一个环 filter2:(C1=15pF、C2=6.8nF、R2=560 Ω)、没有区别、这里是我们的配置和原理图。
R0 (INIT) 0x80160140
R0 0x00140060
R1 0x801400C1
R2 0x80140062
R3 0x80140043
R4 0x80140144
R5 0x80140145
R6 0x01010006
R7 0x01010007
R8 0x04010008
R9 0x5555549
R10 0x9102410A
R11 0x3401102B
R12 0x1B0C006C
R13 0x2302820D
R14 0x0200000E
R15 0x8000800F
R16 0xC1550410
R24 0x00000058
R25 0x02C9C419
0xAR26 FA8001A
R27 0x1000051B
R28 0x0010051C
R29 0x0080051D
R30 0x010003DE
R31 0x001F001F
谢谢
Bruce


