请注意,本文内容源自机器翻译,可能存在语法或其它翻译错误,仅供参考。如需获取准确内容,请参阅链接中的英语原文或自行翻译。
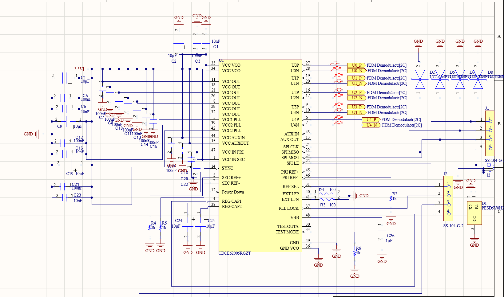
部件号: CDCE62005
大家好、提前感谢所有帮助。
这是我的第一篇文章,所以如果有什么不清楚,请告诉我。
我现在正尝试使用 FTDI USB 芯片在我的 PC 和用于我的学士学位论文的 cdc62005 之间进行 SPI 通信。
编程不起作用,所以现在我只是想读一些东西。
默认配置已正确加载。
LE 与第一个时钟之间的时间为 1.87us。
此处是逻辑分析仪屏幕截图:

我认为信号符合规定、但请告诉我。
我知道她是一个非常丑的人。 