主题中讨论的其他器件:LMX2820、
我刚刚完成了 LMX2820的内部 VCO 的认证、并正在寻找使用我们正在使用的外部 VCO 来认证 PLL。
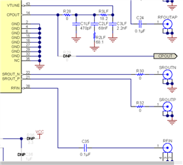
问题是、我不知道如何使用环路滤波器将 VCO 连接到 LMX2820EVM。 我是否需要安装电路板的底部并使用 CPOUT 端子进行连接?
根据 TI 支持、没有与此问题相关的应用手册。
This thread has been locked.
If you have a related question, please click the "Ask a related question" button in the top right corner. The newly created question will be automatically linked to this question.
我刚刚完成了 LMX2820的内部 VCO 的认证、并正在寻找使用我们正在使用的外部 VCO 来认证 PLL。
问题是、我不知道如何使用环路滤波器将 VCO 连接到 LMX2820EVM。 我是否需要安装电路板的底部并使用 CPOUT 端子进行连接?
根据 TI 支持、没有与此问题相关的应用手册。
大家好、Dante:
没错。 使用 CPout。
请参阅 LMX2820EVM 用户指南原理图: https://www.ti.com/lit/ug/snau246a/snau246a.pdf?ts = 1693332194534&ref_url=https%253A%252F%252Fwww.ti.com%252Ftool%252FLMX2820EVM

数量将取决于您是使用无源三阶环路滤波器还是使用外部 VCO 的有源环路滤波器。
看起来该交替环路适用于有源滤波器。 这个应用手册很有趣。 我肯定会考虑一些东西。 感谢您的帮助 Vicente!