Other Parts Discussed in Thread: LMX2485E
工具与软件:
大家好、TI 团队、ñ ol
您能否提供 LMX2485E 的配置指南? 我的客户的新项目目前正在使用此组件、但我们不知道如何配置它。 谢谢!
This thread has been locked.
If you have a related question, please click the "Ask a related question" button in the top right corner. The newly created question will be automatically linked to this question.
大家好、
请使用 TICS Pro 来配置器件、您还可以将寄存器设置导出到文本文件中。
尊敬的 Noel:
1.我成功输出了使用 TICS Pro 配置寄存器所需的数据。 目前、OSC 为19.2Mhz、我只需将射频高频配置为650MHz、FPD 接近200kHz (带宽)、以及如果不需要中频。 因此、数据如下:
R0 0xCB0000
R1 0xB0FA03
R2 0x001385
R3 0xFF00A7
R4 0x20C549
R5 0x00000B
R6 0x3C000D
R7 0x00090F
2)为使 LMX2485E 正常工作、我拉低了 LE、拉高了 CE、拉高了 ENOSC。 在配置期间、CLK 周期约为37us。 将24位数据写入寄存器后、我会将 LE 拉高、然后将其拉低。
然后、还有以下问题:
1.我已验证逻辑分析仪上的数据和时钟信号是否正常。 然而、当我使用频谱分析仪查看频率时、结果没有变化、无论我等待了多长时间、都没有使用万用表上拉 LD。 您能否为数据和时钟的有效时序提供参考?
2.可以为 EVM 提供驱动程序吗?
尊敬的 Weldon:
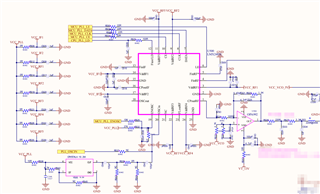
寄存器设置看起来正常。 原理图看起来不错。
您可以使用 PLL Sim (www.ti.com/.../PLLATINUMSIM-SW) 设计和模拟环路滤波器。
该设计如下(Vbias 为1.65V):

然而、一旦我为 PLL 和 VCO 加电、CpoutRF 将很快降至0V、环路滤波器的输出也是如此。 环路滤波器的输出在保持0V 几秒钟后也上升至13V。
我的启动序列是 CLK、Data、CE、ENOSC Set HI、LE set low、 大约5ms 后、我开始写入寄存器值。 我将 LE HI 设置为18us、然后针对每个地址将其设置为低电平。