This thread has been locked.

If you have a related question, please click the "Ask a related question" button in the top right corner. The newly created question will be automatically linked to this question.

[参考译文] ADS114S08:使用单个 ADC 的 RTD 和 NTC 读数

Guru**** 2771175 points

Other Parts Discussed in Thread: ADS114S08, ADS114S08EVM

请注意,本文内容源自机器翻译,可能存在语法或其它翻译错误,仅供参考。如需获取准确内容,请参阅链接中的英语原文或自行翻译。

https://e2e.ti.com/support/data-converters-group/data-converters/f/data-converters-forum/1488592/ads114s08-rtd-and-ntc-reading-using-single-adc

器件型号:ADS114S08

工具与软件:

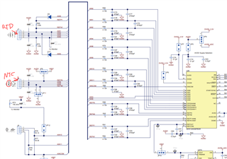
 一个 ADS114S08是否可用于读取 RTD 和 NTC 型温度传感器?  

  • 请注意,本文内容源自机器翻译,可能存在语法或其它翻译错误,仅供参考。如需获取准确内容,请参阅链接中的英语原文或自行翻译。

    嗨、Mickey Aslam、

    可以、ADS114S08可用于读取 NTC 和 RTD

    有关如何实现此功能的更多信息、请参阅 ADS114S08EVM

    -Bryan

  • 请注意,本文内容源自机器翻译,可能存在语法或其它翻译错误,仅供参考。如需获取准确内容,请参阅链接中的英语原文或自行翻译。

    是否有在线仿真工具可用于设计 和仿真电路。 是否有12至16位的类似 ADC?  

  • 请注意,本文内容源自机器翻译,可能存在语法或其它翻译错误,仅供参考。如需获取准确内容,请参阅链接中的英语原文或自行翻译。

    嗨、Mickey Aslam、

    您无法使用 EVM 开始设计是否有任何原因? 我们已经为您完成了一项工作、您可以获取电路板并测试各种电路(RTD 和 NTC)、然后 如果 EVM 满足您的需求、您可以复制设计文件。 我不知道仿真将如何比获取物理板并自行测试更能为您提供帮助

    ADS114S08是16位 ADC

    -Bryan

  • 请注意,本文内容源自机器翻译,可能存在语法或其它翻译错误,仅供参考。如需获取准确内容,请参阅链接中的英语原文或自行翻译。

    我如何在该论坛中附加原理图?

  • 请注意,本文内容源自机器翻译,可能存在语法或其它翻译错误,仅供参考。如需获取准确内容,请参阅链接中的英语原文或自行翻译。

    嗨、Mickey Aslam、

    从下面的菜单中选择 Insert (插入)-> Image (图像)/Video (视频)/File (文件)。 然后单击"上传"按钮(即使它是灰色的)、这将允许您附加文件

    -Bryan