This thread has been locked.

If you have a related question, please click the "Ask a related question" button in the top right corner. The newly created question will be automatically linked to this question.

[参考译文] ADS1235:应变仪系统中的测量漂移和阶跃变化不一致

Guru**** 2606725 points
Other Parts Discussed in Thread: ADS1235

请注意,本文内容源自机器翻译,可能存在语法或其它翻译错误,仅供参考。如需获取准确内容,请参阅链接中的英语原文或自行翻译。

https://e2e.ti.com/support/data-converters-group/data-converters/f/data-converters-forum/1492482/ads1235-inconsistent-measurement-drift-and-step-changes-in-strain-gauge-system

器件型号:ADS1235

工具与软件:

大家好! 我正在使用两个 ADS1235 ADC (特别是 ADS1235QWRHMRQ)进行一个项目、使用应变仪监测钢制物体的变形。 尽管采用了简单直接的设计方法、但仍然存在显著的测量不一致、我会寻求帮助来找出根本原因。

工程和应用上下文

该系统设计用于监测位于机器不同部分的两个钢物体的变形情况。 每个钢质物体都配备了四个应变仪(配置为半惠斯通桥)、总共八个应变仪。 这些电量计(350 Ω 的标称电阻、在半桥配置中约为700 Ω)是根据用作基准的 PCB 安装式分压器(包含两个1kΩ 电阻器)进行测量的。

下面是我们器件的方框图:

硬件和软件详细信息

PCB 详细信息:

  • 该设计在4层 PCB 上实现、在 ADS1235正下方有一个专用的接地层。
  • ADS1235附近没有任何高速信号(仅限位于较远位置的微控制器时钟)。

ADC 配置:  

  • 模型:ADS1235QWRHMRQ
  • 设置:
    • PGA 增益:128
    • 斩波模式:启用
    • 过滤器:Sinc4
    • 采样率:每秒1200次采样(SPS)
    • 延迟:0 µs
  • 其他硬件:每个通道上使用一个低通滤波器、由一个与1nF 电容器并联的100 Ω 电阻器形成。

电源详细信息:

  • DVDD:3.3V
  • AVDD:5V
  • 此评估板由24V 电池通过降压转换器供电。 尽管降压转换器的输出电压随着输入电压的变化而有一些变化、但由于差分测量、它对 ADC 读数的影响很小。

问题描述

预期行为:

 ADC 应提供主要反映应变仪变形的稳定读数、并具有最小的噪声、漂移或阶跃变化。

观察到的行为:

当我们在机器上安装系统时、我们注意到测量结果不一致。 例如:

  • 阶跃变化:ADC 测量突然跳变—请参阅图像。
  • 漂移:随时间变化的明显正漂移或负漂移(例如、在4小时的周期内大约有20000 ADC 电平)。

到目前为止的故障排除和测试

机械隔离

为了消除机械影响、将器件放置在机器上、而无需将传感器焊接到任何结构。 结果仍然显示出陡峭的漂移(正或负)、并在下电上电时发生变化:

电源评估

我们在实验室中进行了一些测试来确定电源是否存在问题。改变输入电压后发现、虽然降压转换器的5V 输出随输入电压变化、但 ADC 读数基本不受影响。

扩展的实验室测试

我们在实验室进行了长时间测试、以检查器件在受控环境(温度和电源)下的行为。 这是不同 ADC 的结果:

这是紫色区域的特写(持续时间约为4:30小时)。 在2小时内似乎有600个 ADC 级别的噪声和1000个级别的漂移:

测试时的关键规格

我使用评估板测量了测量仪表、以检查是与我们设计的 PCB 还是与传感器有关。 这是设置的照片:

这是结果、并 放大了一个2分钟的窗口。 大约有100K ADC 电平的变化:

电阻器进行 PCB 测量

使用标准电阻器构建的惠斯通电桥经过测试、可将 PCB 性能与应变计的性能分开。 这是设置的照片:

这是结果、并 放大了一个2分钟的窗口。 大约有100K ADC 电平的变化:

请求协助

我陷入了僵局。 我的测试未确定不一致是否来自:

  • PCB 上的设计问题(布线、滤波或布局)、
  • 应变仪本身、或者
  • ADS1235出现问题。

提前感谢您的见解和建议。 我渴望了解这些问题的根本原因、 希望了解可能解释这些行为的有关 ADS1235进一步诊断步骤、潜在设计改进或已知问题的任何指导或建议。

此致、

Edgar

  • 请注意,本文内容源自机器翻译,可能存在语法或其它翻译错误,仅供参考。如需获取准确内容,请参阅链接中的英语原文或自行翻译。

    尊敬的 Edgar Ripoll Vercellone:

    您如何激励电压桥或电流? 激励电压/电流的幅度是多少?

    您能否提供原理图?

    您是在 ADS1235中使用交流激励功能、还是仅在全局斩波模式中使用?

    如果将可编程延迟更改为大于0us、性能是否会改变/提高?

    您是否使用已知良好的源尝试过类似的测量? 例如、AA 电池(必须改变增益)或使用固定电阻分压器(3个电阻器)、它在 PGA 共模范围内的中间电阻器两端生成一个低电平电压?

    请告诉我

    -Bryan

  • 请注意,本文内容源自机器翻译,可能存在语法或其它翻译错误,仅供参考。如需获取准确内容,请参阅链接中的英语原文或自行翻译。

    您好、Bryan:

    您如何激励电压与电流这一桥? 激励电压/电流的幅度是多少?

    我将通过电压电源激励电桥。 电桥和 ADC 的供电电压为5V。

    这是器件电源的方框图:

    我确保对两个 ADC 将基准配置(REF)寄存器(地址= 06h)配置为 REFP0。

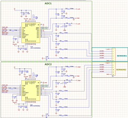
    您能否提供原理图?

    原理图如下:

    您是在 ADS1235中使用交流激励功能还是仅使用全局斩波模式?

    我不使用交流激励功能、而仅使用 全局斩波模式。

    如果将可编程延迟更改为大于0us、性能是否会改变/提高?

    我将执行该测试、我将告诉您结果。

    您是否使用已知良好的来源尝试过类似的测量? 例如、AA 电池(必须更改增益)或使用固定电阻分压器(3个电阻器)、该分压器会在 PGA 共模范围内的中间电阻器两端产生低电平电压?[/QUOT]

    我没有测量 AA 电池、因为更改增益会改变我的设置、我想保持测试条件相同。 这就是我使用由标准电阻器构建的惠斯通电桥对 PCB 进行测试的原因(请参阅原始文章中的结果)。 但是、我可以尝试设置3电阻器并分享结果。

    谢谢! 此致、

    Edgar

  • 请注意,本文内容源自机器翻译,可能存在语法或其它翻译错误,仅供参考。如需获取准确内容,请参阅链接中的英语原文或自行翻译。

    尊敬的 Edgar Ripoll Vercellone:

    感谢您提供所需的信息、请在您能够运行其他测试时告诉我

    -Bryan

  • 请注意,本文内容源自机器翻译,可能存在语法或其它翻译错误,仅供参考。如需获取准确内容,请参阅链接中的英语原文或自行翻译。

    你(们)好、Bryan

    结果如下:

    如果将可编程延迟更改为大于0us、性能是否会改变/提高?

    我在实验室中又进行了一项4小时的测试、以观察器件在受控环境(无机械菌株、空调温度受控且实验室电源稳定)下的行为。 这次我将转换开始延迟设置为67 µs 而不是0 µs、正如您建议的那样。

    两个 ADC 仍然表现出漂移、一个大约有5000个 ADC 电平、另一个大约有1000个 ADC 电平。 我开始怀疑这是因为我们的传感器对温漂非常敏感、因为应变计以安装在 PCB 上的分压器(包含两个1 kΩ 电阻器)为基准。

    您是否使用已知良好的来源尝试过类似的测量? 例如、AA 电池(必须更改增益)或使用固定电阻分压器(3个电阻器)、该分压器会在 PGA 共模范围内的中间电阻器两端产生低电平电压?[/QUOT]

    我使用固定电阻分压器执行了另一个4小时的测试(请参阅方框图)、并将转换启动延迟设置为67 µs。

    其中一个 ADC 表现出轻微的正漂移、而另一个 ADC 表现出测量值的阶跃变化、这种变化偶尔出现在随机位置。 我仍无法确定此行为的原因。

    感谢您的支持! 此致、

    Edgar

  • 请注意,本文内容源自机器翻译,可能存在语法或其它翻译错误,仅供参考。如需获取准确内容,请参阅链接中的英语原文或自行翻译。

    尊敬的 Edgar Ripoll Vercellone:

    感谢您提供所需的信息

    传感器似乎在您的系统中增加了误差、而您只是测量电阻分压器的图形看起来更加清晰(您是否可以在所有图中使用相同的单位? 有些则以 y 轴表示伏特、有些则以代码表示、如果它们完全相同、则比较会更容易。 代码应该没有问题)

    您能向我解释一下您的参考电路吗? 原理图显示了 REFP0和 REFN0上真正的比例基准、其中电桥激励电压直接用作 ADC 基准电压。 但是、我不确定 VREF-网络是什么、因为它看起来是接地的。

    然而、您说您要使用电阻分压器作为参考、我假设这是下图底部所示的情况。 我不清楚为什么要使用电阻分压器而不是比例基准、或者为什么要同时使用这两者。 是这些匹配的电阻器、还是仅仅两个分立式组件?

    -Bryan

  • 请注意,本文内容源自机器翻译,可能存在语法或其它翻译错误,仅供参考。如需获取准确内容,请参阅链接中的英语原文或自行翻译。

    你(们)好、Bryan

    [报价 userid="204916" url="~/support/data-converters-group/data-converters/f/data-converters-forum/1492482/ads1235-inconsistent-measurement-drift-and-step-changes-in-strain-gauge-system/5738143 #5738143"]似乎传感器给您的系统增加了一个误差、您只是测量电阻分压器的图形看起来更加清晰(然而、您能在所有图形中使用相同的单位吗? 有些则以 y 轴表示伏特、有些则以代码表示、如果它们完全相同、则比较会更容易。 代码应该没有问题)

    它们具有相同的单位—代码。 问题在于、使用传感器的测量值范围大约为100K 到300K 代码、 而使用电阻器的测量值大约为数百万个代码。 为了提高可读性、可通过应用1e6因子(如图左上角所示)对后一张图进行缩放。 我意识到字体非常小、下次我会将其变大、以提高清晰度。

    您能向我解释一下您的基准电路吗? 原理图显示了 REFP0和 REFN0上真正的比例基准、其中电桥激励电压直接用作 ADC 基准电压。 但我不确定 VREF-网络是什么、因为它似乎是接地的。

    我 的设计基于 ADS1235数据表中的典型应用电路。 在我的实现中、EXC+和 SEN+是相同的导线(一个 ADC 标记为 V_left+、另一个 ADC 标记为 V_right+)。 每个传感器都通过电子保险丝供电、因此有2条 EXC+线路(V_left+和 V_right+)。 同样、EXC-和 SEN-是同一根导线、并在 PCB 处接地。

    我 选择此设计是为了简化布线 、并通过使用更小的连接器和更少的导线来降低成本、因为每个 PCB 测量2个传感器。 我假设这将伴随以下权衡:

    1.  测量中的噪声增加: 不过、根据现场数据、测量的变形会 明显  大于噪声、 增加的噪声是可接受的。
    2. 电缆上的压降:我预计该压降会很小且稳定。 它引入的任何偏移都可以在  运行开始时进行校准。  我讲这个可能不对、但我不明白这可能与我观察到的阶跃变化或漂移问题有何关系、尤其是阶跃变化、在使用非常短的接线测量固定电阻分压器时也会出现阶跃变化。

    [报价 userid="204916" url="~/support/data-converters-group/data-converters/f/data-converters-forum/1492482/ads1235-inconsistent-measurement-drift-and-step-changes-in-strain-gauge-system/5738143 #5738143"]但是、您刚才提到您使用的是电阻分压器作为参考、我想这是下图底部显示的一个示例。 我不清楚为什么要使用电阻分压器而不是比例基准、或者为什么要同时使用这两者。 这些匹配的电阻器还是两个分立式组件?

    您是对的、它是您所连接的图像中显示的电阻分压器。 它们是2 个容差为0.1%的分立式电阻器 、但您认为使用匹配的电阻器可以提高性能。

    我们之所以使用电阻分压器、是因为我们测量的变形比较复杂、我们需要单独评估每个应变仪的变形情况。 我的测量值还不是比例式的吗? 电阻分压器和应变计都形成惠斯通电桥、只是每个相邻的臂位于不同的位置、但它们由相同的源激励。

    感谢 您的支持! 此致、

    Edgar

  • 请注意,本文内容源自机器翻译,可能存在语法或其它翻译错误,仅供参考。如需获取准确内容,请参阅链接中的英语原文或自行翻译。

    尊敬的 Bryan:

    更新:我离开了昨天开始运行的最后一个测试(固定电阻器、更改了延迟)、现在我只是处理新 数据。

    固定电阻分压器:

    两个 ADC 上的阶跃变化不会同时发生。

    以下是每个 ADC 的27小时测试结果、其中没有显示测量漂移、但显示许多阶跃变化:

    开始转换延迟增加的电量监测计:

    这里是每个 ADC 的27小时测试结果。  我将仅显示 每个 ADC 一个输入、因为对于同一 ADC、其余输入会显示类似的结果。

    -Edgar

  • 请注意,本文内容源自机器翻译,可能存在语法或其它翻译错误,仅供参考。如需获取准确内容,请参阅链接中的英语原文或自行翻译。

    尊敬的 Edgar Ripoll Vercellone:

    您如何采样数据? 您有4个测量仪表输入、您是按顺序连续测量它们吗? 先测量 gauge1、然后测量 gauge2、接着测量 gauge3、最后测量 gauge4、 然后重新启动该过程? 如果是、您是每次通过发送 START 命令(或切换 START 引脚)来手动重新启动该过程吗?

    所有测量是否都具有相同的设置(sinc4滤波器、全局斩波、1200SPS、无延迟)?

    您是否相对于 AIN1 (电阻分压器)测量所有电量计输入?

    您是否所有测量都使用128的增益(实际测量仪表或我要求您测试的外部电阻分压器)?

    -Bryan

  • 请注意,本文内容源自机器翻译,可能存在语法或其它翻译错误,仅供参考。如需获取准确内容,请参阅链接中的英语原文或自行翻译。

    您好、Bryan

    您如何对数据进行采样? 您有4个测量仪表输入、您是按顺序连续测量它们吗? 先测量 gauge1、然后测量 gauge2、接着测量 gauge3、最后测量 gauge4、 然后重新启动该过程? 如果是、您是否每次都通过发送 START 命令(或切换 START 引脚)来手动重新启动流程?[/QUOT]

    每35ms 进行一次测量、并由计时器触发。 选择此间隔是为了确保 ADC 有足够的时间在我的配置(sinc、斩波、SPS 和延迟)下完成所有四个测量。 我使用示波器验证了该时序。

    通过切换 START 引脚按顺序测量输入。 两个 ADC 同时接收 START 信号、这意味着 ADC1的测量仪表1与 ADC2的测量仪表1同时进行测量。 每次测量结束时通过 DRDY 中断进行管理、下一组测量仅在两个 ADC 完成其当前转换后才会开始。

    所有测量值是否均采用相同设置(sinc4滤波器、全局斩波、1200sps、无延迟)?

    是的、我不会在任何时候更改配置。 它们在启动时仅配置一次。

    您是否以 AIN1 (电阻分压器)为基准测量所有电量计输入?

    是的、这是在 切换 START 引脚之前进行配置的。

    您是否为所有测量使用128的增益(无论是实际测量仪表还是我要求您测试的外部电阻分压器)?

    是的、  所有测试都使用相同的配置。

    我想听听您对基准电路的看法、您觉得我的方法有什么问题吗?

    [报价用户 id="647856" url="~/support/data-converters-group/data-converters/f/data-converters-forum/1492482/ads1235-inconsistent-measurement-drift-and-step-changes-in-strain-gauge-system/5739935 #5739935"]

    我 的设计基于 ADS1235数据表中的典型应用电路。 在我的实现中、EXC+和 SEN+是相同的导线(一个 ADC 标记为 V_left+、另一个 ADC 标记为 V_right+)。 每个传感器都通过电子保险丝供电、因此有2条 EXC+线路(V_left+和 V_right+)。 同样、EXC-和 SEN-是同一根导线、并在 PCB 处接地。

    我 选择此设计是为了简化布线 、并通过使用更小的连接器和更少的导线来降低成本、因为每个 PCB 测量2个传感器。 我假设这将伴随以下权衡:

    1.  测量中的噪声增加: 不过、根据现场数据、测量的变形会 明显  大于噪声、 增加的噪声是可接受的。
    2. 电缆上的压降:我预计该压降会很小且稳定。 它引入的任何偏移都可以在  运行开始时进行校准。  我讲这个可能不对、但我不明白这可能与我观察到的阶跃变化或漂移问题有何关系、尤其是阶跃变化、在使用非常短的接线测量固定电阻分压器时也会出现阶跃变化。
    [报价]

    此外,关于比例测量,我的推理是否合理?

    我们加入了电阻分压器、因为我们测量的变形非常复杂、我们需要单独评估每个应变仪的变形情况。 我的测量值还不是比例式的吗? 电阻分压器和应变计都形成惠斯通电桥、只是每个相邻的臂位于不同的位置、但它们是由同一个源激励的。

    感谢您的支持、Bryan! 此致、

    Edgar

    [/quote]
  • 请注意,本文内容源自机器翻译,可能存在语法或其它翻译错误,仅供参考。如需获取准确内容,请参阅链接中的英语原文或自行翻译。

    尊敬的 Edgar Ripoll Vercellone:

    [报价 userid="647856" url="~/support/data-converters-group/data-converters/f/data-converters-forum/1492482/ads1235-inconsistent-measurement-drift-and-step-changes-in-strain-gauge-system/5741835 #5741835"]我很想听听您对基准电路的看法-您觉得我的方法有什么问题吗?

    此外、关于比例测量、我的推理是否合理?

    这应该是好的,它不是立即向我清楚你在做什么。 但现在看来您基本上要测量可变半桥传感器、然后在电路板上使用固定半桥来生成差动测量结果

    -Bryan

  • 请注意,本文内容源自机器翻译,可能存在语法或其它翻译错误,仅供参考。如需获取准确内容,请参阅链接中的英语原文或自行翻译。

    你(们)好、Bryan

    是的、这是我们的系统。 对于如何进一步调查这些问题的原因或我的后续步骤应该如何、您有什么建议吗?

    感谢您的支持! 此致、

    Edgar

  • 请注意,本文内容源自机器翻译,可能存在语法或其它翻译错误,仅供参考。如需获取准确内容,请参阅链接中的英语原文或自行翻译。

    尊敬的 Edgar Ripoll Vercellone:

    我在这里没有任何有意义的东西。 这似乎不是 ADC 的问题、在固定电阻分压器情况下、似乎>99%的读数是正确的。 我猜是导致阶跃变化的事件是外部的

    我想说的是、 在"固定电阻分压器"情况下获得的平均漂移大约为2000 和10000个代码(分别为 ADC1和 ADC2)。 当 VREF = 5V 且增益= 128时、LSB 大小为4.66nV。 因此这分别变化了9.3uV 或46.6uV。 如您所见、此处的信号不是很大、但通过 ADC 很明显

    我亦普遍观察到、这些显著的阶跃变化发生的时间、正好在一天结束时(下午六时)和一天开始时(上午九时)。 不确定是否存在任何关联、可能是在人们离开/进入时打开/关闭车门、造成振动? 处于这些低级别时、您可以点击电路板所在的表/表面、然后看到输出有细微变化。 我想知道该行为的时间是否可重复?

    -Bryan