请注意,本文内容源自机器翻译,可能存在语法或其它翻译错误,仅供参考。如需获取准确内容,请参阅链接中的英语原文或自行翻译。
器件型号:ADS1299 工具与软件:

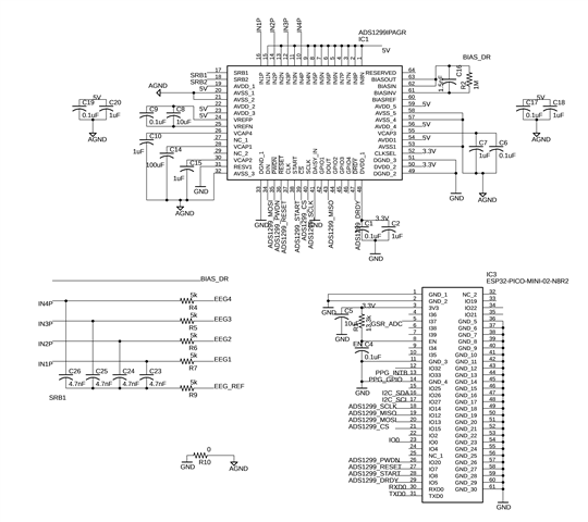
您能否帮助查看此原理图、了解如何将单端 ADS1299连接到用于4通道 EMG 测量的 ESP32-pico? 它将由3.7V 锂电池供电、而3.3V 将使用电压稳压器生成、而5V 将使用电荷泵生成。 我们都在尝试尽可能降低占用空间。
This thread has been locked.
If you have a related question, please click the "Ask a related question" button in the top right corner. The newly created question will be automatically linked to this question.