主题 DAC38J82中讨论的其他器件
工具/软件:
尊敬的 TI 团队:
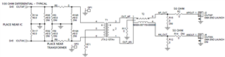
我正在使用 DAC38J82EVM 和对使用 EVM 中的变压器耦合输出网络时的顺从电压有疑问。

下面是我对设置的理解:
-
DAC38J82 IC (IOUTAP/IOUTAN)的单通道输出与进行端接 50 Ω 电阻器 我就站在地面上。
-
差分输出连接至 负电压 问题 2:1射频变压器 (迷你电路 JTX-2-10TA+ 、即75 Ω RF 变压器、primary:secondary = 2:1、 https://www.minicircuits.com/pdfs/JTX-2-10TA+.pdf?srsltid=AfmBOoqfUAsjQjEajinDKp9cV2AhqMLOc6aK-lQIzTZQPzJTNn1EEamk)。
-
。 短路状态 连接到另一个变压器的输入端 1:1 50 Ω 变压器 ( MABA-007159-000000、 https://www.mouser.com/datasheet/2/249/MABA_007159_000000-318068.pdf)。
-
1:1变压器的次级在一端接地、并与端接 50 Ω 电阻器 并在 SMA 输出端串联。
我知道、由于采用2:1降压变压器、 50 Ω 负载 最终输出反映为 200 Ω DAC 输出。 当它与 DAC 自己的100 Ω 差分终端并联(从两个50 Ω 电阻器接地)时、是 有效差分负载 杂散电容会大致变为低值 66.7 Ω 。
并将 DAC 设置为其 30 mA 的最大满量程输出电流 、此负载上产生的电压为:
Vdiff = 30mA×66.7Ω ≈ 2Vpp (diff) ⇒ ±1. V. 每个 桥臂
不过、 DAC38J82 数据表指定了 A 顺从电压范围为−0.5V 至+0.6V 、所以它似乎是这种配置 违反了兼容性范围 产生的噪声。
我对阻抗反射和由此产生的电压摆幅的理解是否正确?
如能提供任何指导或作出任何澄清、将不胜感激。 谢谢!
此致、
Danidu。