请注意,本文内容源自机器翻译,可能存在语法或其它翻译错误,仅供参考。如需获取准确内容,请参阅链接中的英语原文或自行翻译。
器件型号:ADS1298 工具/软件:
您好:
我们使用的是 ADS1298、在实施导联脱落检测方面存在一些问题。
我们设置了直流导联脱落检测、阈值为95%和5%、12nA、以及上拉/下拉模式。
我们发现 EEG 信号在此配置中不再可用、这非常遗憾、因为导联脱落非常好用。 这是预料之中的吗? 我们的输入调节只是一个 RC LPF。 还有什么我们可以尝试的吗?
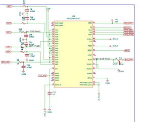
以下是 EEG 的原理图: 
以下是设置所有 ADS 寄存器的代码:
ADS_WREG (CONFIG1、0x46);//无菊花链、低功耗模式、无时钟输出、 250个样本/秒
ADS_WREG (CONFIG2、0x00);//不使用测试信号、全部关闭
ADS_WREG (CONFIG3、0xCC);//内部基准、无 RLD
ADS_WREG (LOFF、0x17);
对于(int i = 0;i < number_of_ADS_channels;i++)
{
AD_WREG (CH1SET + I、0x10);//GAIN 为8、所有通道均正常运行
}
ADS_WREG (BIAS_SENSP、0xFF);//偏置校正开启
ADS_WREG (BIAS_SENSN、0xFF);//偏置校正开启
ADS_WREG (LOFF_SENSP、0xFF);//全部打开
ADS_WREG (LOFF_SENSN、0xFF);//全部打开
// ADS_WREG (LOFF_FLIP、0xFF);//全部翻转
ADS_WREG (GPIO、0xF0);//LED 亮起
ADS_WREG (MISC1,0x00);//未使用与 misc1相关的任何函数
//skip resp、默认值正常
ADS_WREG (CONFIG4、0x00);//无呼吸检测、单次触发模式、启用 LoFF 补偿
//跳过 WCT1和 WCT2