主题中讨论的其他器件:ADS1292R、
工具/软件:
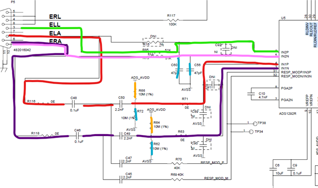
我在布局示例和开发套件上看到、输入线路上有许多无源器件 
在我看来、它只需要一个4.7NF、它建议使用一些患者保护电阻器、这是正确的吗?
在典型应用中、有一个示例没有无源器件(如果不使用呼吸功能)。 此示例是否仅与呼吸相关?

现在、当我查看一下开发套件时、情况有所好转。 
在这些选项中、假设我只想使用2个电极、一个导联 EEG。 在我的设计中、我使用 IN1P 和 IN1N、包括4.7nf 电容器。
在开发套件上、我一直在使用 ERA 和 ELA、但这似乎与我打算做的不匹配。
它看起来我应该使用 ell 和时代,但在开发软件上我的选择是●ECG 导联 I
●心电图导联 II
●ECG 导联 III
●ECG 导联 aVR
●ECG 导联 aVL
●ECG 导联 aVF
我在通读文档时有点困惑、它们是如何映射到 IN1P 和 IN1N 的。
感谢您提供任何帮助。