Other Parts Discussed in Thread: OPA521, OPA541, DAC81404, DAC81404EVM, OPA561
主题中讨论的其他器件:、 OPA561、OPA521、OPA541
工具/软件:
大家好!
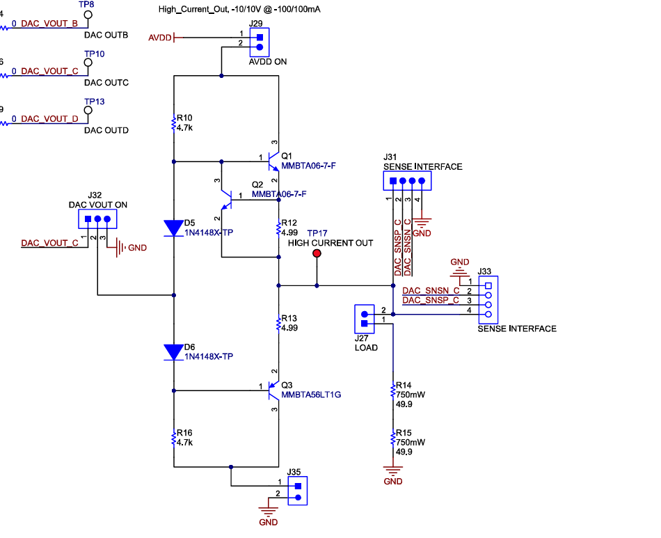
我正在使用 DAC81404设计可编程电源。 数据表(DACx1404具有内部基准的四路16位和12位高电压输出 DAC 数据表(修订版 A))建议使用以下电路来计算输出电流的200mA。

二极管、电阻器和晶体管 T1和 T2是否有一组建议的值/规格? 如果可能、我能否获得晶体管的建议器件型号。
此外、在第一页中提到、使用外部电路可以实现高达1A 的高电流驱动。 您能为 我提供任何在 DAC 输出端设计电流放大器的推荐资源吗? 
谢谢、此致
Sudhir D





