请注意,本文内容源自机器翻译,可能存在语法或其它翻译错误,仅供参考。如需获取准确内容,请参阅链接中的英语原文或自行翻译。
器件型号:ADS1261 Thread 中讨论的其他器件:ADS1235、 ADS1260、 ADS1260-Q1、 ADS1261
工具/软件:
尊敬的支持:
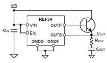
我想请您在为 ADS1235/ADS1260转换器选择电压基准/LDO 作为 Vref 时给予帮助。
额定值: 汽车级
100mA:>同步
Uout: 5V
UIN: >8V
谢谢你。
