Other Parts Discussed in Thread: ADS8504
工具/软件:
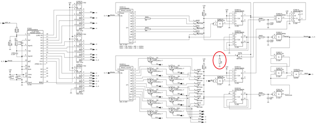
我使用 ADS8504 控制移位寄存器、而移位寄存器进而控制几个晶体管的栅极以更改二进制计数器的二进制代码。 所有这些都是为了获得一个方波输出、其频率随 AD 输入电压而变化。 与固定频率结合使用时、我得到频率为 420Hz 且占空比为~5-50%的 PWM 信号。 我使其按预期工作、但当我在温度室中测试该设计时、即使输入连接到 2.2V 的固定电压、占空比也会漂移。 它在 0°C 至+100°C 之间稳定。 但当低于 0C 时、输出开始漂移。 请参阅以下图片。
有什么想法为什么会发生这种情况、或者是什么原因导致这种情况?
//罗伯特




