Other Parts Discussed in Thread: ADS1292R, AFE4400, ADS1292
主题中讨论的其他部件: AFE4400, ADS1292
您好,
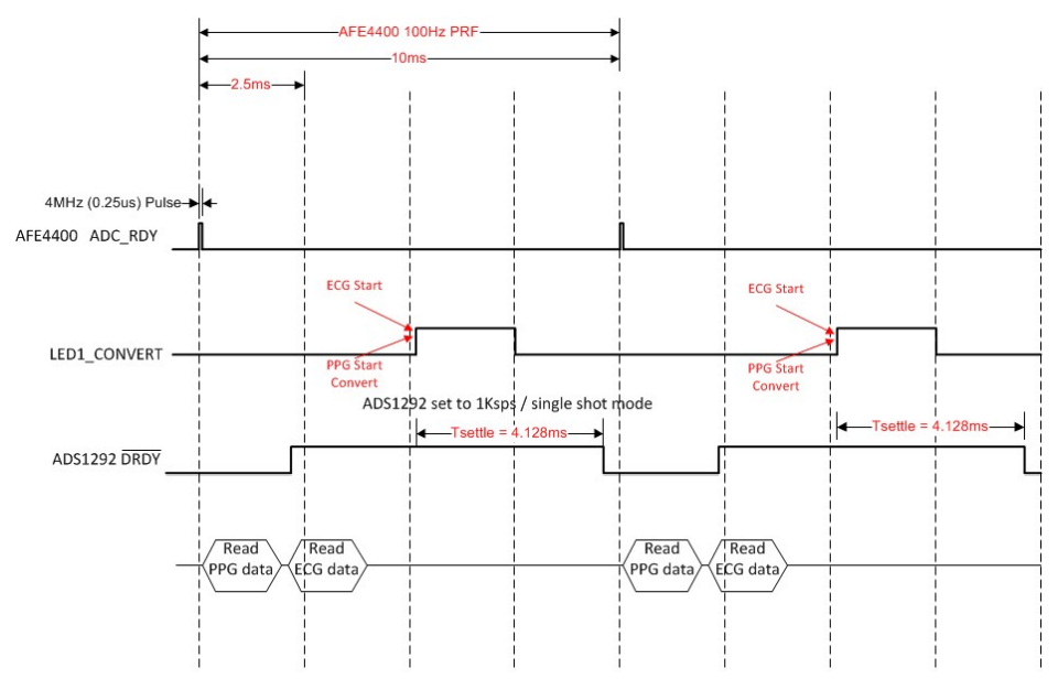
我尝试在单激发模式下实现ADS1292R,因为我需要将其与AFE 4400同步。 我已将AFE4400的2MHz时钟馈入ADS1292R,并将AFE4400的一个引脚连接到起始引脚ADS1292R接地CLKSEL引脚。 问题是我只从ADS1292R获得0。 我已经用示波器检查了ADS1292的起始引脚中有500Hz方波,但DRDY引脚始终较高。 我认为问题可能是由于寄存器设置错误,因此我在此处列出了我的寄存器。 如果有问题,请告诉我。
//ADS1292函数
void setup_ADS1292 ()
{
send_command (SDATAC);
write_byte (config1,0x83);// 1000sps单激发模式
write_byte (CONFI2.2,0xA0);
write_byte (CH1SET,0x40);
write_byte (CH2SET,0x00);
write_byte (LOFFSTAT,0x40);// fCLK/16
write_byte (RESP1,0xF2);// 135相位
write_byte (RESP2,0x03);
send_command (RDATA);
}
谢谢!
Yiwen

