This thread has been locked.

If you have a related question, please click the "Ask a related question" button in the top right corner. The newly created question will be automatically linked to this question.

[参考译文] ADS131E08:SPI通信错误

Guru**** 2767455 points

Other Parts Discussed in Thread: ADS131E08

请注意,本文内容源自机器翻译,可能存在语法或其它翻译错误,仅供参考。如需获取准确内容,请参阅链接中的英语原文或自行翻译。

https://e2e.ti.com/support/data-converters-group/data-converters/f/data-converters-forum/576844/ads131e08-spi-communication-error

部件号:ADS131E08

您好,

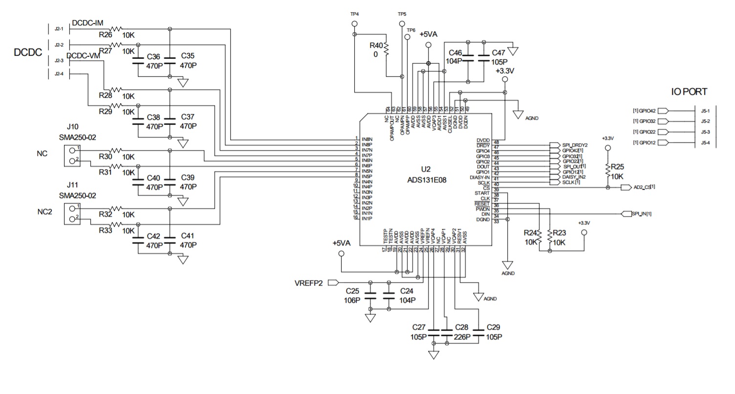
按如下所示制作电路,并尝试通过SPI进行通信,但无法读取。

1.您能否查看下面的示意图,并告诉我是否存在任何故障或缺失?

2.是否有方法检查ADS131E08是否正常工作?  不通过SPI。

此致,

尼基

  • 请注意,本文内容源自机器翻译,可能存在语法或其它翻译错误,仅供参考。如需获取准确内容,请参阅链接中的英语原文或自行翻译。

    你好,Nicky,

    原理图看起来正常。 在下面查找VCAP引脚电压。 他们可以测量这些值以查看它们是否与理想值匹配:

    VCAP1:1.2 V

    VCAP2:(AVDD+AVSS)/2

    VCAP3:1.9 + AVDD

    VCAP4:(REFP+REFN)/2

    否则,很可能是他们必须调试的SPI问题。 此博客 提供了一些有关调试SPI问题的建议。

    此致,

    Brian Pisani

  • 请注意,本文内容源自机器翻译,可能存在语法或其它翻译错误,仅供参考。如需获取准确内容,请参阅链接中的英语原文或自行翻译。
    您好,Brian,

    SPI问题已清除。

    在模拟数据读取过程中,其错误率太大。
    因此,她按照您的建议测量Vcap电压,但Vcap4和Vref值过低,如下所示。
    她将CONFIG3寄存器设置为0x68,AVdd为5V。

    VCAP1:1.194 V
    VCAP2:2.506 V
    VCAP3:6.99V
    VCAP4:0.005V
    VREFP:0.122V

    您能否告诉我为什么它的错误率太高,VCAP4值太低?

    此致,
    尼基
  • 请注意,本文内容源自机器翻译,可能存在语法或其它翻译错误,仅供参考。如需获取准确内容,请参阅链接中的英语原文或自行翻译。
    你好,Nicky,

    您必须将CONFIG3更改为0xE8才能打开引用。 这样可以解决您遇到的问题。

    Brian