This thread has been locked.

If you have a related question, please click the "Ask a related question" button in the top right corner. The newly created question will be automatically linked to this question.

[参考译文] ADS1146:ADS1146的AVDD

Guru**** 2541450 points
Other Parts Discussed in Thread: ADS1146

请注意,本文内容源自机器翻译,可能存在语法或其它翻译错误,仅供参考。如需获取准确内容,请参阅链接中的英语原文或自行翻译。

https://e2e.ti.com/support/data-converters-group/data-converters/f/data-converters-forum/585157/ads1146-avdd-of-ads1146

部件号:ADS1146

亲爱的,大家好

我有一个关于打开ADS1146电源的问题。
客户的系统向ADS1146提供以下电压。
- DVDD 5V
- AVDD 2.5V
-AVSS-2.5伏
—DGND 0V
2.5V通过并联调节器应用于REFP和AVDD。 此时,分流电阻器使用300欧姆。
当他们观察到ADS1146的AVDD的上升电压时,AVDD在大约0.7 V电压下保持恒定约2至8秒,然后增加到2.5V。
此外,DVDD 5V的2.5V电阻除以300欧姆的电阻,而不是分流调节器。 因此,AVDD在恒定电压下变化约1.1 秒,电压约为0.6V。
关于重置,即使 在确认DVDD后释放到MS,几秒后释放也不会改变这种现象。
请告诉我们AVDD为什么是0.6V到0.7V的恒定电压。

此时,CLK使用内部振荡器。
输入至AIN0/AIN1为0V。

谢谢,Masami M.

  • 请注意,本文内容源自机器翻译,可能存在语法或其它翻译错误,仅供参考。如需获取准确内容,请参阅链接中的英语原文或自行翻译。
    Masami-san,


    为了清楚说明,让我确保我了解正在发生的事情。 当客户使用并联稳压器为ADS1146供电时,AVDD从0升至0.7V几秒钟,然后再次升至2.5V。

    我唯一看到的电源问题是为用于AVSS的-2.5V制造了负压降盖电源。 在这种情况下,电源电流对于-2.5V电压轨来说太大。 通常,使用并联调节器来提供电源时不会出现任何问题。

    他们使用的是哪种分流调节器? 当他们使用较低的电阻器时,问题是否消失? 2.5V分流器使用的电源电压是多少? 他们是如何产生负电源的(他们是否有专用负电源或他们是否使用某些DC/DC转换器来产生负电源)? 他们能否提供所用电源的示意图? 他们是否有某种示波器来显示所有耗材的电源打开状态?

    由于即使用分压器作为电源也会出现问题,我怀疑问题是他们的示意图的一部分。 AVDD和AVSS电源还为哪些电路供电? 这可能有助于获得完整的系统示意图。

    如果您想直接与我联系以了解更多信息,请告诉我。


    吴若瑟
  • 请注意,本文内容源自机器翻译,可能存在语法或其它翻译错误,仅供参考。如需获取准确内容,请参阅链接中的英语原文或自行翻译。

    你好,Joseph-San,

    感谢您的支持。
    首先,我将电路图放在下面。


    我还有一个问题。
    >液滴盖供应负极
    我不知道这是什么类型的电源。
    请告诉我?

    谢谢,Masami M.

  • 请注意,本文内容源自机器翻译,可能存在语法或其它翻译错误,仅供参考。如需获取准确内容,请参阅链接中的英语原文或自行翻译。
    Masami-san,


    压降电源是一种使用电容进行切换以获得直流电压的电源。 它可以来自交流电源或直流电源。 从原理图上看,这可能是他们正在尝试做的事情。 此直流电源的原始电源是什么?

    客户是否有任何电源示波器快照? 这可能有助于确定问题所在。 我想看看AVDD,AVSS,DVDD以及ACOM和DCOM节点。

    我担心ACOM/DCOM线路可能无法很好地吸收电流。 对于ADC,为AVDD提供电流肯定需要一些电流,我假设将电流吸入AVSS需要类似电流。

    如果ADC由不同的外部电源供电,它是否工作正常? 从原理图上看,我对这种电源的操作并不完全熟悉。


    吴若瑟
  • 请注意,本文内容源自机器翻译,可能存在语法或其它翻译错误,仅供参考。如需获取准确内容,请参阅链接中的英语原文或自行翻译。

    你好,Joseph-San,

    >此直流电源的原始电源是什么?

    电源为交流电源。

    由于客户当前正在测量观察到的波形,请稍候。

    谢谢,Masami M.

  • 请注意,本文内容源自机器翻译,可能存在语法或其它翻译错误,仅供参考。如需获取准确内容,请参阅链接中的英语原文或自行翻译。

    你好,Joseph-San,

    我将AVDD,AVSS,DVDD的测量波形输入DCOM。

    谢谢,Masami M.

  • 请注意,本文内容源自机器翻译,可能存在语法或其它翻译错误,仅供参考。如需获取准确内容,请参阅链接中的英语原文或自行翻译。

    Masami-san,

    我仍然不确定您的原理图中发生了什么,但您的客户是否有办法增加+2.5V电源的源电流和其等效接地的漏电流? 电源似乎仍然无法吸收或提供一些电流,但我不确定是哪种。 我还注意到,在几毫秒内,AVDD-AVSS已达到3V,这是模拟电源应该已经工作的电压。 同时,数字电源也已达到其最低工作电压。

    我向几位应用工程师提出了有关此类供应的问题,因为我不熟悉它的操作。 我会在收到他们的回复时通知您。

    我确实得到的一个建议是,可能存在对供应进行排序的问题,并且可能会在始终将AVSS保持为最低节点时出现问题。 只是为了确定,您的客户是否可以将这些肖特基二极管放在他们的电路板上? 这应确保电源正常工作,而AVSS不会高于任何其它电源节点。 下面是一张图表。

    目前,我在示波器照片中看不到这种情况。 这是另一位应用工程师向我推荐的。 它可能没有帮助,但它是一种简单的尝试。

    吴若瑟

  • 请注意,本文内容源自机器翻译,可能存在语法或其它翻译错误,仅供参考。如需获取准确内容,请参阅链接中的英语原文或自行翻译。

    你好,Joseph-San,

    感谢您的支持。
    我将发送客户在电路中观察到的波形,这些波形增强了AVSS的汇电流能力。
    将R15从2.4k欧姆更改为420欧姆可观察到这一点。


    谢谢,Masami M.

  • 请注意,本文内容源自机器翻译,可能存在语法或其它翻译错误,仅供参考。如需获取准确内容,请参阅链接中的英语原文或自行翻译。
    Masami-san,


    我还有其他几个问题要问客户。

    1. ACOM是否连接到DCOM? 原理图上未显示。 在大多数情况下,我们建议客户使用单个接地平面,但在这里,我只是想确保他们已连接。

    2.在上一篇文章的示波器图片中,+5V电源有很多噪音。 这是否来自L2? 我只是想确保DGND运行良好,并且噪声不足以中断ADC操作。 是否有可能降低或删除L2?

    3.在电源原理图的底部,有一个电路由变压器,齐纳二极管和几个电阻器组成。 这是某种类型的警告电路还是回扫电源的一部分? 我只是不知道它的目的。

    他们是否尝试过我的任何建议? 我想知道他们是否使用添加的肖特基测试了电源,或者他们是否断开了变压器以使用单独的电源运行设备。


    吴若瑟
  • 请注意,本文内容源自机器翻译,可能存在语法或其它翻译错误,仅供参考。如需获取准确内容,请参阅链接中的英语原文或自行翻译。


    你好,Joseph-San,

    1.
    ACOM和DCM连接在电源电路的C14处。
    它是电路原理图中JC1的一部分。
    从JC1到ADS1146的引脚的距离是关于Max 25 mm 的。


    二.
    D+5V上的较大噪音与电源启动无关,因为启动后LED显示屏会产生电流波动。


    3.
    电源电路底部所示的电路是齐纳二极管,晶体管,两个电阻器和一个光电晶体管。
    此电路构成一个误差信号放大器。
    PWM控制器的误差信号放大器不能与绝缘电源一起使用,误差信号放大器配置在次级侧,转换成电流,电压电平由光电晶体管传输到初级侧。


    >我想知道他们是否使用添加的肖特基测试了耗材,
    我将放置测量波形。
    这一现象没有改变。

    条件:
    R15=420欧姆
    DVDD,AVDD,AVSS:添加了肖特基

    >如果他们已断开变压器的连接以使用单独的电源运行设备。
    当从电源电路侧断开A+2.5V并连接稳定的电源时,它会正常启动。


    以及,
    增强AVDD电源电流能力的电路中的客户。
    这是通过将R14从300欧姆更改为200欧姆来观察的。
    但这种现象并没有改变。

    谢谢,Masami M.

  • 请注意,本文内容源自机器翻译,可能存在语法或其它翻译错误,仅供参考。如需获取准确内容,请参阅链接中的英语原文或自行翻译。

    Masami-san,


    我已经与数据转换器组和其中一个电源/LDO组的一些人员讨论过此原理图,通常我们没有看到什么可能是错误的。 看一下电源,它真的应该刚刚出现,我们不知道ADS1146的电源定序有什么问题,这可能是一个问题。

    但是,还有一些事情要尝试。 我希望客户首先尝试缩短L2 (或删除L2并更换为短L2)。 由于数据转换器通常具有数字电流,因此L (di/dt)可能会导致电源线出现较大的峰值。 你可以在上面提供的示波器照片中看到这一点。 我从未见过这会导致电源通电出现问题,但我发现它会完全中断数字通信。

    如果这不起作用,我想试着找出R14的电流将会往何处。 此电流太大,他们只需用万用表测量R14,就能验证其是否有大电流。 如果R15的压降极小,则可能意味着+5V电源的另一个电流负载。

    如果大电流进入+2.5V电源,我首先要确认没有其它设备加载+2.5V电源。

    如果没有其他任何内容,则应先尝试在REFP和REFN断开连接的情况下打开设备电源。 然后,他们应尝试在AINP和AINN断开的情况下打开设备电源。 这里,我只是想确定是否有什么原因导致ADS1146在奇怪的状态下启动。

    因为我没有客户的电路,所以没有办法测试此问题。 我希望上述测试能够提供有关额外电流的线索。


    吴若瑟

  • 请注意,本文内容源自机器翻译,可能存在语法或其它翻译错误,仅供参考。如需获取准确内容,请参阅链接中的英语原文或自行翻译。


    你好,Joseph-San,

    很抱歉回复延迟。
    由于可测量的主板已不能使用,客户正在构建新的主板。

    我会将测量结果通知您。
    这是D+5V使用稳定电源时的波形。
    其它电路尚未更换。
    通过他们的测量,我发现了以下内容。
    如果D+5V的上升时间超过180ms,则不会出现这种现象,并且正常上升。
    从180毫秒上升到大约200毫秒时会出现一种现象。
    以下是测量四次的波形。
    D.是正常上升时的波形。

    我想知道以下两个问题。

    (1)我想知道为什么D+5V的上升时间在缓慢的情况下不是正常的。
    此时,大约13 mA流至ADS1146的A+5V。

    (2) ADS1146的数据表中未指定A+2.5V的上升时间,但实际上是否有所需的上升时间?

    谢谢,Masami M.

  • 请注意,本文内容源自机器翻译,可能存在语法或其它翻译错误,仅供参考。如需获取准确内容,请参阅链接中的英语原文或自行翻译。

    Masami-san,


    感谢您发送最新示波器照片。 我现在可以复制问题。 在慢速启动过程中,我可以看到高达15mA的高电流进入A+2.5V电源,并插入A-2.5V电源。 但是,它需要先使用A-2.5V电源来查找此错误。

    在您的第一个帖子中,您将显示A+2.5V电源与A-2.5V电源大致同时出现。 在这些情况下,我无法找到错误。 例如,我将显示以下图表之一:



    但是,在您最近的示波器照片中,您显示A-2.5V电源在A+5V和A+2.5V电源之前出现。 我将在下面展示:



    在这种情况下,我发现启动设备需要额外的电流。

    在我的设置中,我使用Agilent E3631A电源。 此三路电源具有一个可变6V电源,我用于将DVDD设置为5V。 它还具有±25V双电源,我可以将其设置为±2.5V。 这种双电源可以单独启动,也可以通过电源的跟踪功能同时启动。 我的基本设置如下所示。 我使用简单的插座板连接电源。



    如果我同时打开A+2.5V电源和A-2.5V电源,我就不会发现问题。 来自A+2.5V电源的电流持续偏低。 有了电源,我可以看到1mA的分辨率,我看不到高于此的电源电流。 我可以缓慢地增加供应(持续几秒钟)。

    作为第二项测试,我先设置A-2.5V电源,然后设置A+5V电源,然后慢慢地打开A+2.5V电源。 这里是我看到额外电流的地方。 我以10mV为增量缓慢地调速电源。 当电源从0.4V上升时,电源电流首先上升到几mA,然后在大约0.9V的情况下上升到15mA。 当电源电压升高至1.0V时,电流降至1mA以下。 可能存在一些滞后现象。 当我再次降低电压时,电流不会返回到15mA水平。

    我不确定此电流的来源。 如果启动或/reset的连接较低,或者与REFCOM的连接较低,则该连接不会消失。 它可能类似于电流直射,在这种情况下,低电压可能导致开关或推挽式放大器级的电流流经高侧和低侧设备。

    我从2伏的A-2.5V电源开始,然后是1伏的电源开始,由A+2.5V提供的最大电流下降到10毫安,然后下降到7毫安。 这表明额外电流与DGND连接相关(因为它似乎未连接到REFCOM位置)。

    此时,我建议首先使用A+2.5V电源,或者与A-2.5V电源同时使用。 如果它们不同时出现,可能需要额外的电流约15mA才能打开设备。 此外,如果在A-2.5V电源达到-1.0V之前,A+2.5V电源可以达到1.0V,则可能不需要高电流即可打开A+2.5V电源。

    我将继续检查其他针脚处的电压,以查看是否有其他方法降低电源电流,但此时,以上建议是我的建议,以降低电源电流。


    吴若瑟

  • 请注意,本文内容源自机器翻译,可能存在语法或其它翻译错误,仅供参考。如需获取准确内容,请参阅链接中的英语原文或自行翻译。

    你好,Joseph-San,

    感谢您的支持。
    我这次显示的波形是他们观察到的组合所观察到的波形。
    实际设备生成的波形是第一个波形。
    但是,当我问他们时,这种现象根本没有发生。
    这是关于4 % 的。

    因此,我是否可以预期,这个门槛会有以下的变化?
    A.当A - 2.5 V电源端的电压达到1.0 V时电流增加的情况
    B.当A + 2.5 V小于1.0 V时电流增加的条件
    在这种情况下,如果A+2.5V升至1.0V以上(例如A-2.5V达到-0.5V之前),电流值是否不会增加?

    谢谢,Masami M.

  • 请注意,本文内容源自机器翻译,可能存在语法或其它翻译错误,仅供参考。如需获取准确内容,请参阅链接中的英语原文或自行翻译。

    Masami-san,


    此时,我不确定此额外电流来自何处。 我只能用慢速斜坡的电源来测试它。

    对我来说,如果有足够的电流使AVDD高于1.0V,则电源应出现高电流情况。 这种情况的最佳方式似乎是在AVSS斜坡前开始加速AVDD。

    根据测试,如果A+2.5V升至1.0V以上,例如在A-2.5V达到-0.5V之前,我认为您可以避免高电流的情况。

    您的客户是否能够对此进行测试? 这有助于让他们确认这种情况。


    吴若瑟

  • 请注意,本文内容源自机器翻译,可能存在语法或其它翻译错误,仅供参考。如需获取准确内容,请参阅链接中的英语原文或自行翻译。


    你好,Joseph-San,

    感谢您的支持。

    客户认为很难直接控制A+2.5V和A-2.5V的引入。
    但是,他们认为,通过加快D+5.0V的上升速度,从而加速a+2.5V的上升,可以消除这种现象。
    他们正在进行实验。
    我希望这项措施能与这项措施相配合。

    谢谢,Masami M.

  • 请注意,本文内容源自机器翻译,可能存在语法或其它翻译错误,仅供参考。如需获取准确内容,请参阅链接中的英语原文或自行翻译。

    你好,Joseph-San,

    客户可以采取以下措施并成功打开电源。
    -在A+2.5V变为1.0V或更高电压后,通过LDO创建A-2.5V并通过EN控制输出A-2.5V。
    感谢您的支持。
    但是,客户要求澄清在上升A+2.5V时消耗大电流的原因。
    请告诉我们目前的研究情况。

    谢谢,Masami M.

  • 请注意,本文内容源自机器翻译,可能存在语法或其它翻译错误,仅供参考。如需获取准确内容,请参阅链接中的英语原文或自行翻译。
    Masami-san,


    我们认为电流来源来自设备内的一组电平转换器。

    由于ADS1146可以为模拟部分提供双极电源,为数字部分提供单独的单极数字电源,因此需要为从一个部分传输到另一个部分的任何数字信号提供网桥。 要进行此级别转换,即使电源不同,电平转换器也是连接通信的桥梁。

    在启动过程中,打开该部分的电源时,似乎需要额外的电流。 在晶体管完全打开之前,AVDD电源可能会出现一些直流电。 我相信此电流主要从DVDD到AVDD电平转换器中可见。 一旦设备到达工作电源,设备应不会出现过大电流问题。

    我要注意的是,较新的器件(如ADS124S0x和ADS114S0x (即将发布)不应该具有相同的电平转换启动电流。 在这些设备中,电平转换器操作由通电重置信号门控。 在释放通电复位之前,电平转换器将被禁用,这表示所有电源均已达到操作的最小阈值。


    吴若瑟
  • 请注意,本文内容源自机器翻译,可能存在语法或其它翻译错误,仅供参考。如需获取准确内容,请参阅链接中的英语原文或自行翻译。


    你好,Joseph-San,

    感谢您的支持。

    我是否可以向客户提交包含我收到的内容的最终报告?
    我要向他们介绍报告的以下内容。

    由于有一个电路在器件内模拟部件的电源和数字部件电源之间执行电平切换,因此它会一直存在,直到AVDD在该部件中完全打开晶体管。
    在此期间,数字部件的电源和模拟部件电源之间可能会有额外的电流。
    这种情况在AVSS和DGND之间的电源电压之间,直到晶体管打开且晶体管打开,且AVDD和DGND之间的电源电压为。

    请告诉我这个解释是否好。


    谢谢,Masami M.

  • 请注意,本文内容源自机器翻译,可能存在语法或其它翻译错误,仅供参考。如需获取准确内容,请参阅链接中的英语原文或自行翻译。

    Masami-san,


    电平转换电路用于设备的模拟(具有某些数字电路)和数字部分之间的数字通信。 数字部分在DVDD至DGND上运行。 模拟部分在AVDD和AVSS上运行,因此数字通信必须通过电平转换电路连接。

    在启动过程中,当晶体管开始通电但电压较低时,可能会有额外的电流流动。 信号可能不会接近其最终电压,因为电路通电并产生额外的电流(这类似于输入保持在中间电源的逆变器)。


    吴若瑟

  • 请注意,本文内容源自机器翻译,可能存在语法或其它翻译错误,仅供参考。如需获取准确内容,请参阅链接中的英语原文或自行翻译。


    你好,Joseph-San,

    感谢您的支持。
    感谢您解释这种现象。
    不过,我想向他们解释为何只有当AVDD在AVSS达到-1.0V后未能达到1.0V时,才会有额外的电流流动。
    是否有任何信息?

    谢谢,Masami M.

  • 请注意,本文内容源自机器翻译,可能存在语法或其它翻译错误,仅供参考。如需获取准确内容,请参阅链接中的英语原文或自行翻译。

    Masami-san,


    我可以通过显示设备内部分电平移动单元的基本版本来解释电流是如何上升的。 额外电流来自打开的晶体管。取决于AVDD,AVSS,DVDD和DGND的不同级别。

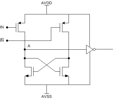
    您可以在下方看到部分水平移动单元格。 此部分将数字电源电平的值锁定到模拟电源。 这显示了锁定到模拟电源的电池单元的最后一部分。 数字侧有另一个闩锁,可输出差分信号输入和/输入。



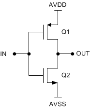
    当首次通电时,当AVDD开始斜坡但仍处于低位时,IN在DGND附近可能存在低电压。 如果AVDD接近1V,AVSS低得多,则A处的电压可能接近AVDD和AVSS之间的中点。 如果A位于中点,则逆变器将处于消耗额外电源电流的状态。 下面是逆变器的晶体管电平电路。



    通常,如果In为高,Out为低。 Q2打开,但Q1关闭,这会阻止任何电流流动。 在相反情况下,In是低的,Out是高的。 Q1打开,Q2关闭,这也会阻止电流流动。

    但是,如果在停留时间接近中点,则Q1和Q2都将打开,从而允许电流从AVDD流向AVSS。 这将消耗额外的电源电流,直至所有电源均逐渐接近最终值。 当输入信号来自数字电平转换且接近DGND时,可能会出现这种情况。 此信号对于数字侧可能较低,但会导致逆变器接近中点。

    请注意,此部分仅显示将数字信号转换为AVDD/AVSS电源的电平转换器的输出。 由于数字信号需要来自DVDD/DGND电源,并且电源的底部不常见,因此需要执行另一个级别转换步骤来获取AVDD/DGND之间的电源,这可能具有另一个类似的条件来消耗电流。 此外,还有电平转换器可从AVDD/AVSS返回DVDD/DGND (而不是图中所示的DVDD/DGND到AVDD/AVSS),根据电源电平,这些电平转换器也可能具有类似的高电流。


    吴若瑟

  • 请注意,本文内容源自机器翻译,可能存在语法或其它翻译错误,仅供参考。如需获取准确内容,请参阅链接中的英语原文或自行翻译。


    你好,Joseph-San,

    感谢您的回答。
    我明白了。
    我会回答客户。

    谢谢,Masami M.