Thread 中讨论的其他部件:、 REF5050
大家好、我想绘制 dac80508芯片和微控制器之间连接的原理图。 您是否有任何可供参考的典型电路或材料?
目前、我通过 dac80508evm 的直接引线连接微控制器、相应的功能已经实现。 我可以参考评估板的原理图吗? 在绘制原理图时是否需要注意任何问题? 我希望得到您的宝贵建议。
祝你一切顺利
王跃
This thread has been locked.
If you have a related question, please click the "Ask a related question" button in the top right corner. The newly created question will be automatically linked to this question.
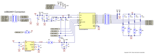
大家好、我刚才绘制了 DAC 原理图。 您能否帮助检查是否存在任何问题? 同时、我有两个问题要问您。
我发现 DAC80508evm 中的所有接地都选择了信号接地电源(反向三角形)、整个原理图中仅选择了 GND (三条水平线)。 我不知道它是否会产生影响?
2.如果我确认 VDD 和 VIO 选择3.3V 电源、能否直接提供3.3V 电压、如原理图所示?
e2e.ti.com/.../Schematic_5F00_DAC80508.pdf
我期待收到你的宝贵建议。
祝你一切顺利
您好! 我已根据您的建议修改了原理图。 您是否会检查是否存在其他问题? 谢谢你
e2e.ti.com/.../3666.Schematic_5F00_DAC80508.pdf
祝你一切顺利!
Yue
大家好、我有一个新问题。 我参考芯片引脚1中 dac80508evm (如上所示)的原理图、两个电容器 C20和 C21 (C5和 C6)在基准处连接 然后我发现电解电容器 C21的 PCB 封装错误、因此我用 dac80508evm 手册中编写的 tpsb106k016r0800替换了它。
![]()
现在电路图如下、但电容器和接地线之间的连接始终无法识别
e2e.ti.com/.../3326.Schematic_5F00_DAC80508.pdf
因此、我想问 C21是否可以替换为其他也是10uF/16V 的封装? 它的功能是什么? 我可以使用我的现有 C25而不是 C21吗? 具体的 PCB 封装如下图所示。

非常感谢!
Yue