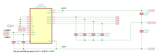
任务是使用 DAC8574生成-2.048至+2.048V 的输出电压。 为此、DAC 的工作电压为+/- 2.5V
I2C 信号的摆幅为5V、以-2.5V 为基准。使用 I2C 进行的信号传输原则上起作用、但输出电压会发生偏移
大约0.45V (2.5 - 2.048 = 0.452 ?)。 根据数据表、IOVDD 只负责数字输入的电平。
IOVDD 当前为+2.5V (IOVDD 连接到 VDD)、这不应对模拟输出产生任何影响。 此电路是否错误?
如果 IOVDD 对输出电压有影响、是否必须使 IOVDD 稳定?





