This thread has been locked.

If you have a related question, please click the "Ask a related question" button in the top right corner. The newly created question will be automatically linked to this question.

[参考译文] ADS1278EVM-PDK:ads1278的 SPI 接口

Guru**** 2553450 points
Other Parts Discussed in Thread: ADS1278EVM-PDK, ADS1278

请注意,本文内容源自机器翻译,可能存在语法或其它翻译错误,仅供参考。如需获取准确内容,请参阅链接中的英语原文或自行翻译。

https://e2e.ti.com/support/data-converters-group/data-converters/f/data-converters-forum/611746/ads1278evm-pdk-spi-interface-of-ads1278

器件型号:ADS1278EVM-PDK
主题中讨论的其他器件: ADS1278

我从上个月开始一直在研究 ads1278evm-PDK。 我使用的是 ADC 随附的默认 ADSPro 软件和 MMB0板。 但是、现在我想使用不带 MMB0的 ads1278、并通过 SPI 将其连接到其他微处理器。 我正在尝试进行硬件连接、但无法确定如何为 ads1278供电。

我想知道 SPI 接口中使用哪些引脚为 ADC 供电、以及要提供多少功率。  

此致、

Sourav Bhattacharya  

  • 请注意,本文内容源自机器翻译,可能存在语法或其它翻译错误,仅供参考。如需获取准确内容,请参阅链接中的英语原文或自行翻译。

    尊敬的 Sourav:  

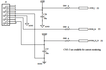
    ADS1278可通过 J5端口供电。 请参阅  第18页上的 ADS1x7xEVM 用户指南(修订版 A)以查找以下原理图。 ADS1278中的 J5用于电源、而 J4保留用于 SPI 连接。  

    对于提供的功率量、也可以在表3的用户指南中查看。 这些是标称值、但只要它们在数据表中指定的范围内、您就可以对其进行修改。  

    此致、  

    卡罗莱纳州