This thread has been locked.

If you have a related question, please click the "Ask a related question" button in the top right corner. The newly created question will be automatically linked to this question.

[参考译文] PCM9211:如何使用非 PCM 检测功能

Guru**** 2554240 points


请注意,本文内容源自机器翻译,可能存在语法或其它翻译错误,仅供参考。如需获取准确内容,请参阅链接中的英语原文或自行翻译。

https://e2e.ti.com/support/data-converters-group/data-converters/f/data-converters-forum/609852/pcm9211-how-use-the-non-pcm-detection-function

器件型号:PCM9211

您好!

  我想使用非 PCM 检测器检测 DIR 端口是否具有正常音频数据、如果没有、 PCM9211 可以向 MCU 提供信号、以便 MCU 控制系统进入待机模式。  

  我的问题是如何配置寄存器,哪个寄存器将向 MCU 提供 INT 信号?  我已经尝试配置20h、25h、26h、28h、2Ah、2bh、 但我无法在引脚 INT0和 INT1上进行任何更改。 请 请给我一些帮助。 谢谢  

  • 请注意,本文内容源自机器翻译,可能存在语法或其它翻译错误,仅供参考。如需获取准确内容,请参阅链接中的英语原文或自行翻译。

    您好、Agril、

    您正在查看合适的寄存器集、以便能够根据检测到的非 PCM 数据使 NPCM/INT1引脚改变状态。

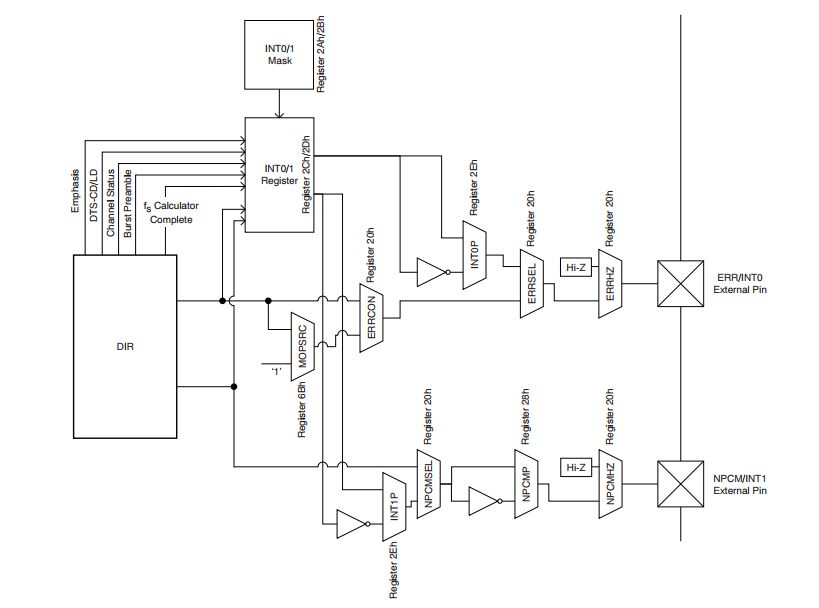
    关键是确保我们已取消屏蔽两个 INT0/1掩码设置寄存器(0x2A/0x2B)的 NPCM 端口输出状态位。 这里的相关位是 MNPCM0 (0x2A -位7)和 MPCM1 (0x2B -位7)。 这通过将位的默认值从"1"更改为"0"来完成。

    寄存器0x20的 NPCMHZ 和 NMCMSEL 位默认设置为右值。

    下面是非 PCM 检测逻辑如何在器件内部工作以供参考的详细表示...

    您能否分享您尝试的确切价值观、因为这将帮助我推荐正确的价值观?