This thread has been locked.

If you have a related question, please click the "Ask a related question" button in the top right corner. The newly created question will be automatically linked to this question.

[参考译文] ADS131E08S:由 ADS131E08S 生成的时钟不正确

Guru**** 2535150 points
Other Parts Discussed in Thread: ADS131E08S, INA826

请注意,本文内容源自机器翻译,可能存在语法或其它翻译错误,仅供参考。如需获取准确内容,请参阅链接中的英语原文或自行翻译。

https://e2e.ti.com/support/data-converters-group/data-converters/f/data-converters-forum/608253/ads131e08s-incorrect-clock-generataion-by-ads131e08s

器件型号:ADS131E08S
主题中讨论的其他器件: INA826

您好!

这是来自 TEQ 努力的 Paesh Valand。

 我们在项目之一中使用了 ADS131E08S。

我们在单端模式下使用了 ADC。 AVDD 为5V、DVDD 为3.3V。 我们已使用内部振荡器生成时钟。

按照数据表遵循上电顺序。  

问题是,我们从振荡器获得了不正确的时钟。 它是1.923MHz、而不是2.048Mhz。

我们看到的另一件事是我在通道6上应用了任何模拟输入,它在通道1上显示相同。

请给出建议。

谢谢。

  • 请注意,本文内容源自机器翻译,可能存在语法或其它翻译错误,仅供参考。如需获取准确内容,请参阅链接中的英语原文或自行翻译。
    您好、Paresh、

    感谢您的发帖!

    1.923MHz CLK 肯定超出了+/-3%的最大容差。 只需确认一下、您如何测量时钟频率? 您可以通过设置 CLK_EN = 1并探测 CLK 引脚本身来直接测量它。

    如何在 PCB 上配置模拟输入以及相应的寄存器设置是什么? 请分享原理图以显示相关的 ADS131E08S 连接。

    此致、
  • 请注意,本文内容源自机器翻译,可能存在语法或其它翻译错误,仅供参考。如需获取准确内容,请参阅链接中的英语原文或自行翻译。

    您好、Ryan、

    是的、我直接在引脚上测量时钟。

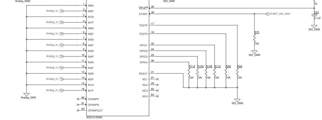
    这些是 ADC 中模拟输入的连接。  

    连接 到 INA826的第一个模拟信号。   INA826的输出  通过电阻分压器直接连接到 ADC 的模拟输入。

    我必须首先为 ADC 提供5V 和3.3V 的上电要求吗?  

    我已通过 RC 将复位时序更改为高达100ms、这也是我们面临的问题。

    在固件中,我们已执行以下步骤从 ADC 读取数据:

    =>将“START”引脚置为高电平, 将 CS 引脚置为低电平。


    =>在读取之前,我们通过 WREG 命令写入“CONFIG1”寄存器。 为此、我们在 SPI_MOSI 引脚中发送以下字节。

    {0x41U、0x00U、0xF4U}=~{(point "config1" reg)、(只读1个寄存器)、(在寄存器中写入数据)}


    =>之后、我们在 MOSI 引脚中写入一次"RDATAC"命令(0x10U)。

    =>在 while 循环中、我们通过 MISO 引脚读取所有通道数据(总共216位)。

    =>在 while 循环中、在读取数据之前、我们连接到低"start"引脚、在读取后、连接到"start"引脚高电平。

    请建议。 等待您的快速响应。

  • 请注意,本文内容源自机器翻译,可能存在语法或其它翻译错误,仅供参考。如需获取准确内容,请参阅链接中的英语原文或自行翻译。
    您好、Ryan、

    我们得到的芯片 ID 0xC0而不是0xD2。因此、我们只能使第一个4通道正常工作。 我们还得到基准电压3.981、而不是4.000。

    我们在 VCap 引脚上获得以下电压:
    VCAP1:1.185
    VCAP2:2.621
    VCAP3:7.101
    VCAP4:2.041



    请建议解决方案。
  • 请注意,本文内容源自机器翻译,可能存在语法或其它翻译错误,仅供参考。如需获取准确内容,请参阅链接中的英语原文或自行翻译。
    您好、Paresh、

    可以将模拟和数字电源组合在一起。 有关器件初始化过程、请参阅第57页的第10.3节。

    在整个数据收集过程中、START 引脚应保持高电平。 将 START 置为低电平将停止 ADC 转换并复位数字滤波器。 Δ-Σ ADC 应持续转换、以便对模拟输入进行过采样和抽取。 在 RDATAC 模式下、每次您看到/DRDY 从高电平转换为低电平时、输出移位寄存器都会加载新数据。 /DRDY 用于作为 MCU 中数据收集例程的中断。

    此致、
  • 请注意,本文内容源自机器翻译,可能存在语法或其它翻译错误,仅供参考。如需获取准确内容,请参阅链接中的英语原文或自行翻译。

    您好、Paresh、

    如果不遵循加电序列、器件可能会以不正确的状态加电。 详情见第58页。 在电源达到其标称值的90%后、内部振荡器至少需要20us 的启动时间。 之后,您必须继续将器件保持在复位状态(/reset = 0)以实现额外的2*tCLK。

    读取寄存器数据时、必须首先发出 SDATAC 命令。 您是否在读取 ID 寄存器之前执行了此操作?

    您测得的基准电压处于电气特性表中指定的范围内。


    此致、

  • 请注意,本文内容源自机器翻译,可能存在语法或其它翻译错误,仅供参考。如需获取准确内容,请参阅链接中的英语原文或自行翻译。
    您好、Ryan、

    感谢您的回复。

    这是来自 TEQ 努力的普尔维。 ME 和 Paesh 都在处理此项目。

    上电序列仍不会清除我的位。

    在数据表中、ADC 的上电时间定义为3ms。

    那么,是否必须将这个加电时间保持在3ms? 或 ADC 正常工作所需的最短上电时间?

    我们在板上检查了加电序列、并观察到3.3V 电源轨、即 DVDD 首先加电、然后是5V 电源轨、即 AVDD、在几毫秒后、复位释放到逻辑1即3.3V。

    但是、从3.3V 电源轨到90%再到将 RESET 引脚逻辑设置为高电平的整个时间都超过了3ms 的限制。

    此外、我们保持了数据表中定义的电源和复位之间的中间时序。

    我们是否需要在电源 AVDD 和 DVDD 之间保持任何时间?

    因为当我们使用内部时钟时、我们没有在电源和时钟之间保持任何时序。
    我们假设 ADC 本身会保持20us。

    请告诉我您的看法。

    此致、
    普尔维
  • 请注意,本文内容源自机器翻译,可能存在语法或其它翻译错误,仅供参考。如需获取准确内容,请参阅链接中的英语原文或自行翻译。

    您好、Purvi、

    感谢您的更新。

    只需清除、当 AVDD (即5V 电源轨)处于最终值的90%之内时、tPCLK 时序开始。 两个电源之间没有特殊的时序关系、但我认为两个电源都需要在释放/reset 之前保持运行和稳定。 使用内部时钟时,总延迟时间应等于20us +0.977us,但您肯定会通过等待几 ms 来超过该时间。

    在尝试读取寄存器之前、您是否看到/DRDY 引脚以默认数据速率切换? 为了使 ADC 进行转换、START 引脚将需要保持高电平。 启动可通过电源变为高电平。
     
    此致、