This thread has been locked.

If you have a related question, please click the "Ask a related question" button in the top right corner. The newly created question will be automatically linked to this question.

[参考译文] ADS1255:使用来自另一个 ADS1255的 CLKOUT 引脚为 ADS1255计时时的噪声问题

Guru**** 2383220 points
Other Parts Discussed in Thread: ADS1255
请注意,本文内容源自机器翻译,可能存在语法或其它翻译错误,仅供参考。如需获取准确内容,请参阅链接中的英语原文或自行翻译。

https://e2e.ti.com/support/data-converters-group/data-converters/f/data-converters-forum/740854/ads1255-noise-issue-while-clocking-an-ads1255-with-the-clkout-pin-from-another-ads1255

主题中讨论的其他器件:ADS1255

您好!

我们的客户正在使用两个 ADS1255开发分析仪器。
XTAL 用于主 ADC、CLKOUT 输出从主 ADC 连接到子 ADC。

但是、当时钟输出打开时、XTAL 振荡和两个 ADC 转换结果异常。
输入短路时的变化:0.001V -> 0.1V

我认为 PCB 布局可能是一个问题。 使用的器件如下所示。
XTAL:CX5032GA08000HOHEQ Kyocera
C:15pF

有 问题。

可以理解、由于这种影响、子 ADC 的转换结果变得更糟。 为什么主 ADC 的转换结果也异常?
客户表示 XTAL 的振荡将异常。 这是不正确的吗?
两个 ADC 是否以时钟的形式共享 CLKOUT?
如果是、您可以了解两个 ADC 的转换结果异常。

请告诉我原因和措施。

此致、

Hiroshi

  • 请注意,本文内容源自机器翻译,可能存在语法或其它翻译错误,仅供参考。如需获取准确内容,请参阅链接中的英语原文或自行翻译。

    您好!

    您是否能够分享该电路的原理图?

    此外、您是否知道 ADC 下方是否有专用的 PCB 接地层、或者接地层是否仅浇注在顶层?

    在所附图像中、似乎 AGND 和 DGND 未通过短路径进行连接。 CLKOUT 信号可能会在这些接地平面上产生大量噪声、进而干扰两个 ADC 的转换结果。

    [引用 USER5163865]客户说 XTAL 的振荡将是异常的。 这是否不正确?

    我不确定您的意思是、XTAL 振荡异常。 客户是否观察到晶体上的异常行为? 如果是、您能描述异常情况吗?

     

    [报价 USER="user5163865"]这两个 ADC 是否以时钟的形式共享 CLKOUT?[/quot]

    当前配置正确。 CLKOUT 是一个输出信号、可被路由至另一个器件上的 CLKIN 输入引脚。

     

    此致、
    Chris

  • 请注意,本文内容源自机器翻译,可能存在语法或其它翻译错误,仅供参考。如需获取准确内容,请参阅链接中的英语原文或自行翻译。

    尊敬的 Chris:

    感谢你的答复。

    我将检查 GND 层。

    #客户表示 XTAL 的振荡将异常。

    -->不稳定的频率不仅仅是 CLKOUT。 但 我认为很难测量。  它们的测量方法可能不正确。

    #两个 ADC 是否以时钟的形式共享 CLKOUT?

    -->我的问题是两个 ADC 时钟是否基本相同。

    示例 a) 基本相同的时钟。

    示例 b)缓冲器时钟输出->缓冲输入

    我认为这种配置是 a)。 由于共享时钟时、两个 ADC 的结果异常。

    在 B 的情况下、我认为只有子 ADC 是异常的。

    客户怀疑设备出现故障。 我想准确地告诉这种情况。

    此致、

    Hiroshi

  • 请注意,本文内容源自机器翻译,可能存在语法或其它翻译错误,仅供参考。如需获取准确内容,请参阅链接中的英语原文或自行翻译。

    您好、Chris

    原理图。

    可以确认吗?

  • 请注意,本文内容源自机器翻译,可能存在语法或其它翻译错误,仅供参考。如需获取准确内容,请参阅链接中的英语原文或自行翻译。

    Hiroshi-San、您好、

    感谢您发布原理图!

     

    从原理图的角度来看、我没有发现任何问题...

    在布局中、PA06和 PA07跳线与 ADC 的接近程度如何? 通常、我不建议将模拟接地和数字接地分开;但是、如果这些连接保持较短且非常靠近 IC、则可能不会出现问题。

    关于您之前关于 CLKIN 和 CLKOUT 之间关系的问题...

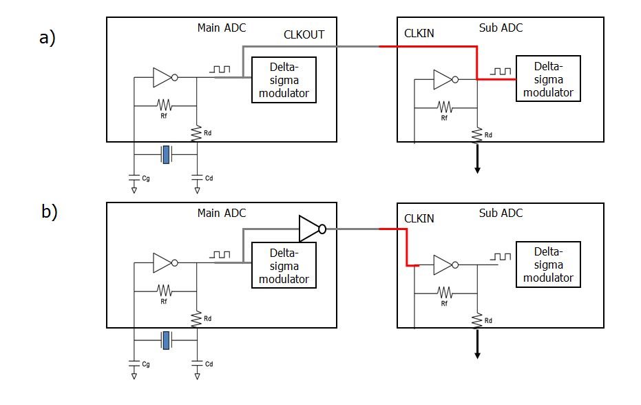
    我相信 CLKIN 输入上的信号被缓冲(可能由一个比较器)并且在 CLKOUT 引脚上输出。 因此、对于两个 ADC、时钟是相似的、但它们在两个方面存在差异:

    1. 一个晶振的 CLKIN 信号将是一个正弦波、而 CLKOUT 信号是一个方波。
    2. CLKIN 和 CLKOUT 之间将存在一些传播延迟。


    通过探测 ADS1256EVM 上的 CLKIN 和 CLKOUT 信号、捕获了以下示波器屏幕截图:

    由于 CLKOUT 信号被转换为方波、它将包含更高的频率成分、并且可能对 PCB 接地层造成更大的破坏。 我建议增大电路板上 R96的尺寸(可能尝试100欧姆)、以减缓 CLKOUT 的上升沿和下降沿、并查看它是否有助于提高噪声性能。

    此致、
    Chris

  • 请注意,本文内容源自机器翻译,可能存在语法或其它翻译错误,仅供参考。如需获取准确内容,请参阅链接中的英语原文或自行翻译。

    您好 Chris

    将电阻更改为100欧姆可以解决该问题。
    非常感谢您的支持。

    #零欧姆

    100欧姆



    他们担心、由于器件的可变性、问题是否会再次出现。

    我想解释电阻值的有效性(或提供更好的电阻值)并解决这个问题。

    我知道 ADS1255的 CLKOUT 输出阻抗的变化是导致这个问题的原因。

    ADS1255 Ω 阻抗:约10k Ω
     Ω PCB 线:约20至100 μ m

    #当 PCB 线变得粗短时、阻抗接近 ADS1255。
    #这是一个“启动问题” 。 如果它正常启动、则在运行期间不会发生。

    我计划这样解释、但您是否有更好的建议? 并指出我的误解。

    此致、

    Hiroshi

  • 请注意,本文内容源自机器翻译,可能存在语法或其它翻译错误,仅供参考。如需获取准确内容,请参阅链接中的英语原文或自行翻译。
    Hiroshi 您好、

    我认为这个问题可能是信号完整性问题(CLKOUT)。 正如您在示波器屏幕截图中看到的、CLKOUT 信号上有相当多的振铃、添加100欧姆电阻似乎有助于减少振铃并提高信号完整性。

    在本例中、我将使用较大的电阻器值进行实验、以查看您是否可以进一步清理 CLKOUT 信号。 该电阻与寄生电容结合使用、可在 CLKOUT 上创建 RC 滤波器、并减慢时钟的上升沿和下降沿。

    与直接位于接地层上方的"微带"布线相比、分离接地层可能是问题的一部分、因为它会使 CLKOUT 布线更具电感。 CLKOUT 迹线的电感性质将使其对快速 CLKOUT 信号边沿更加敏感。

    此致、
    Chris
  • 请注意,本文内容源自机器翻译,可能存在语法或其它翻译错误,仅供参考。如需获取准确内容,请参阅链接中的英语原文或自行翻译。

    克里斯-桑

    感谢您的回复。

    我将以最后报告的形式答复这些问题。

    此致、

    Hiroshi