This thread has been locked.

If you have a related question, please click the "Ask a related question" button in the top right corner. The newly created question will be automatically linked to this question.

[参考译文] ADC12J4000EVM:测试图案样片订购问题

Guru**** 2502205 points
Other Parts Discussed in Thread: ADC12J4000

请注意,本文内容源自机器翻译,可能存在语法或其它翻译错误,仅供参考。如需获取准确内容,请参阅链接中的英语原文或自行翻译。

https://e2e.ti.com/support/data-converters-group/data-converters/f/data-converters-forum/743740/adc12j4000evm-test-pattern-samples-ordering-issue

器件型号:ADC12J4000EVM
主题中讨论的其他器件:ADC12J4000

您好!

我们已购买 ADC12J4000 EVM、目前正在使用 Xilinx VC707固件(TI_HSDC_Pro_Reference_Design_V2.8)、作为我们自己开发更简单固件的基础。


我们当前的任务是解读从 ADC 平台接收到的数据、在实施我自己的固件时、我们注意到每个样本的订购过程中存在一种令人困惑的行为。


为了进行测试、我们已将 Ad 转换器设置为在 测试模式下传输并观察结果(如 SLAS989D、表33、第48页)。

在随附的映像中、我们有 rx_tdata (示例固件的 DATA_BLOCK 的输入)和测试模式数据、如您的手册中所示。

我们期望有某种行为、但:

我们认识到每半个字节都被反转

我们认识到字节是以对等方式反转的

我们缺少的是字节的对应关系、该字节应该是编号为16-17-18-19-20-21-22-23的样本的 LSB、如上述 SLAS989D 文档的表13所示。


红色字节实际上代表什么?


我们是否将数据外推到错误的位置?

  • 请注意,本文内容源自机器翻译,可能存在语法或其它翻译错误,仅供参考。如需获取准确内容,请参阅链接中的英语原文或自行翻译。
    嗨、Michele
    我想备份几个步骤、以了解您如何从每个通道的接收数据(总共8个通道)获取到上图中的数据。
    您能否提供每个单独通道的数据的 ChipScope 探测器屏幕截图、其中至少包含2个完整的数据帧?
    解串器块中的数据以32位(4个八位位组)块的形式输出。 我在过去遇到的问题与按照正确顺序将这些32位块中的数据映射到12位样本有关。
    32位块由右边的最早的八位位组组成、之后的八位位组向左移动。 因此、每个32位块都需要从右到左进行处理、然后处理下一个后续的32位块等
    使用 JESD204B 测试模式-斜坡测试模式查看相同的数据也可能很有用。 在此测试模式下、每个通道在八位位组数据中输出一个斜坡。 所有通道在00时同时启动并斜升至 FF、然后重复该模式。
    此致、
    Jim B
  • 请注意,本文内容源自机器翻译,可能存在语法或其它翻译错误,仅供参考。如需获取准确内容,请参阅链接中的英语原文或自行翻译。

    "我在过去遇到的问题与以正确顺序将这些32位块中的数据映射到12位样本有关。"


    是的、我还认为这有一些问题。 要映射来自256位 RX_tdata 通道的32位子部分的数据、我们使用 table13 (因为我们处于旁路模式)、如下所示:

    -从0到11的位:采样0

    -位从12到23:采样8

    -位从24到31:采样16的 LSB

    -从32位到43位:采样1

    -位从44到55:采样9

    -位从56至63:采样17的 LSB

    [对8个通道以及总共256位进行了等等]

    以下时钟周期、我们的 FSM 从以下开始解释数据:

    -位从0到3:采样16的 MSB

    -位从4到15:采样24

    -位从16到27:采样32

    -从28到31的位:尾位、应该被忽略(但是我们在这里的正确位置没有得到零!)

    我将使用斜坡进行测试并报告。

    关于您的问题、我希望我间接地解释了我们的流程、但我会再试一次(抱歉、英语不是我的母语、希望我做得更好)

    目前我们正在做的是:

    -我们从 JESD_RX 块发出的 RX_tDATA[255:0]开始

    -我们将数据保存在8个不同 FIFO 内的原始固件中,分为32位的子部分(0:31 - 32:63 -等等)(经过独立测试,按预期工作)

    -在我们保存了一个特定窗口(例如目前的8192个样本)后,我们激活一个标志并进行通信以启动 FIFO 读取(独立测试,按预期工作)

    -我们将每个 FIFO 的一个输出保存在8x32位(移位)寄存器中(经过独立测试、按预期工作)

    -我们按照前面所述、通过对 原始32位数据(一次12位)应用移位并正确处理 拆分为两个"子部分"的"中间样本"( 独立测试、按预期工作)、来重建排序的样本数据。

    -我们读取串行化输出数据,希望在输入端有正弦波时找到正弦波(不起作用)

    谢谢

  • 请注意,本文内容源自机器翻译,可能存在语法或其它翻译错误,仅供参考。如需获取准确内容,请参阅链接中的英语原文或自行翻译。

    您好!

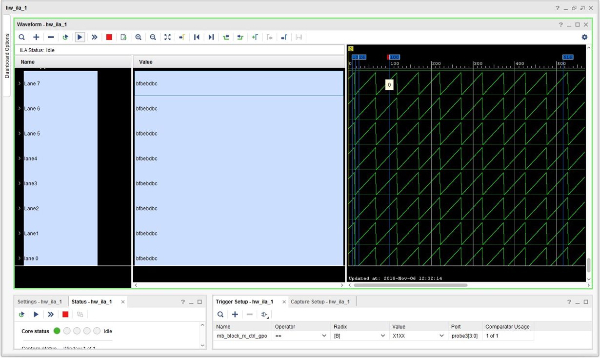
    我测试了 JESD 斜坡模式

    然后在系统 ILA (芯片范围)窗口中分离每个通道(0:31 - 32:63)等

    斜坡似乎工作正常。

    您可以在附件中找到图像

  • 请注意,本文内容源自机器翻译,可能存在语法或其它翻译错误,仅供参考。如需获取准确内容,请参阅链接中的英语原文或自行翻译。

    我目前正在测试短传输模式测试模式。

    我看到的数据不正确或难以解释。

    我附加了前两个32位样本的图像(第一个图像是第二个"半"帧、我显然无法切换顺序!)、因为它们与我预期的不符。

      

  • 请注意,本文内容源自机器翻译,可能存在语法或其它翻译错误,仅供参考。如需获取准确内容,请参阅链接中的英语原文或自行翻译。

    嗨、Michele

    查看短程传输测试图案图像、我认为数据是正确的。

    从第二个图像(帧的前半部分)开始、我们有:

    F0021FF0

    从最右侧的八位位组开始重新排列八位位组值:

    F0 1F 02 F0

    重新分组为12位值可得出:

    F01 F02 F0

    同样、处理来自另一个图像(帧的第二个半部分)的数据时、我们可以:

    50F0043F

    重新排列最右边的八位位组:

    3F 04 F0 50

    将其全部添加到12位值中

    F01 F02 F03 F04 F05 0 (最后4个是尾位)

    其他通道使用相同的方法看起来是正确的。

    如果您看一下斜坡数据中的帧组、它们的排列方式类似。 在每个半帧内从右向左增大值。

    我希望这对您有所帮助。

    此致、

    Jim B

  • 请注意,本文内容源自机器翻译,可能存在语法或其它翻译错误,仅供参考。如需获取准确内容,请参阅链接中的英语原文或自行翻译。
    Jim、您好!
    感谢您的详细解释。 很明显、我将其应用于我的固件。

    想象一下、如果我想对来自模数转换器的样本进行操作、以进行一些额外的阐述(例如 FFT)。

    如果我的固件按以下顺序读取样本(假设我们希望 FFT 短传输测试模式、即使没有意义):

    F01 - E11 - D21 - C31 - B41 - A51 - 961 - 871 - F02 - E12等...

    ...这是正确的读取程序吗?

    再次感谢!
  • 请注意,本文内容源自机器翻译,可能存在语法或其它翻译错误,仅供参考。如需获取准确内容,请参阅链接中的英语原文或自行翻译。
    嗨、Michele
    是的、这是正确的样品订购。
    此致、
    Jim B
  • 请注意,本文内容源自机器翻译,可能存在语法或其它翻译错误,仅供参考。如需获取准确内容,请参阅链接中的英语原文或自行翻译。

    Jim、您好!

    通过应用您建议的检测/"解吸"方案、我能够正确读取短传输测试模式、并按照我在上一次答复中所述对样本进行序列化

    当模数转换器的输入频率为200MHz 且信号发生器的正弦波为-5dBm 时、如何才能获得正确的行为?


    附加的图像指的是此类应用:

      (标记之间是破坏正弦波数据的8 + 8个样本)

    S0  列 和 S2列中的样本( 与您提供的方案相同)似乎是交换的。 但在短程传输测试模式下、它们的工作方式符合预期。


    提前感谢。


    编辑:


    我将 S0"列"的位 、即[31:24、15:12]分配给 S2、将"S2"列"的位分配给 S2、即[7:0、39:36]{其中39:36表示下一个时钟周期的位7:4、我将两个32位字符串保存到64位寄存器中}

    这就是我获得的结果:

    非常合理的正弦波。

    但是…… 为什么?

  • 请注意,本文内容源自机器翻译,可能存在语法或其它翻译错误,仅供参考。如需获取准确内容,请参阅链接中的英语原文或自行翻译。
    嗨、Michele
    我不知道为什么使这一变化有所帮助。
    为了确认这是一种真正的解决方案、请尝试更改输入信号的频率、使其略有不同、可能是190MHz。 这将导致正弦波与样本帧不同步、并有助于确定在何处发生订购问题。
    此致、
    Jim B
  • 请注意,本文内容源自机器翻译,可能存在语法或其它翻译错误,仅供参考。如需获取准确内容,请参阅链接中的英语原文或自行翻译。

    Jim、您好、感谢您的建议。


    我已经尝试过188MHz 的频率、因此它是最差的可分频数、但应用我们的位开关后的行为似乎非常正确。

    我现在已经将一个 FFT 模块应用于这个重建的正弦波、它被识别为正确的 f_0频率二进制、即使在188MHz 时也是如此。

  • 请注意,本文内容源自机器翻译,可能存在语法或其它翻译错误,仅供参考。如需获取准确内容,请参阅链接中的英语原文或自行翻译。
    嗨、Michele
    看上去一切正常。 我很高兴您能让它正常工作。
    此致、
    Jim B