Other Parts Discussed in Thread: ADS124S08
请注意,本文内容源自机器翻译,可能存在语法或其它翻译错误,仅供参考。如需获取准确内容,请参阅链接中的英语原文或自行翻译。
器件型号:ADS124S08 您好, Bryan,ć
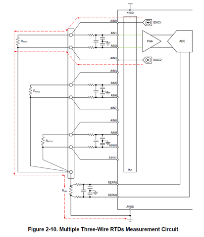
关于 使用 ads124s08进行三线 RTD 测量、我还有一个问题。 从《RTD 测量基本指南》图2-10可以看出、一个 ads124s08可以通过3线模式连接3个 RTD。 不是4个 RTD 作为4线制模式。 您能帮助确认吗?
谢谢。
