请注意,本文内容源自机器翻译,可能存在语法或其它翻译错误,仅供参考。如需获取准确内容,请参阅链接中的英语原文或自行翻译。
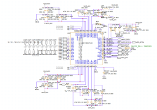
器件型号:ADS131E08 使用 ADC 条目中的示波器进行检查、我们看不到任何偏移、但当我们分析 ADC 发送的信息时、我们会赞赏50mV 的偏移。 您知道我们为什么会看到此偏移吗?
WER 使用 Intenal 4V 基准、+-2v5模拟电源、3V3 DVDD 和共享 GND

This thread has been locked.
If you have a related question, please click the "Ask a related question" button in the top right corner. The newly created question will be automatically linked to this question.
使用 ADC 条目中的示波器进行检查、我们看不到任何偏移、但当我们分析 ADC 发送的信息时、我们会赞赏50mV 的偏移。 您知道我们为什么会看到此偏移吗?
WER 使用 Intenal 4V 基准、+-2v5模拟电源、3V3 DVDD 和共享 GND
