主题中讨论的其他器件:AMC3336、 AMC3336EVM、 AMC3330
大家好、
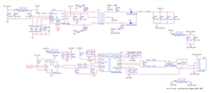
下面是3线或4线可配置、4 -20mA 电流输入模数转换电路。
请回顾并告知我有任何反馈、也请澄清以下问题。
- 可用于模拟输入的推荐保护电路是什么?
- 我已经通过考虑 FSR V=+250mV 和 Current 20mA (R=V/I)来计算 RSHUNT、此时我获得了12.5E RSHUNT。 计算结果是否正确?
- 并通过考虑此应用中可以提供的最大电流选择 RSHUNT 电阻器、即20mA 和电阻器值(P=I2R)=5mW。 请对此进行确认?

此致、
M·希塔兰詹







