嗨、大家好、我正在查看 SBAA094、我不明白 SINC 滤波器在 VHDL 代码中有关输入位流的行为:
-... 000000 ... 表示- Vref
-。。111111。。 表示 Vref
-.. 0101010 ..表示0V
复位时 DELTA1设置为0x00 (我们使用十六进制表示法)、但当 Mout = 1时、DELTA1将递增。
无法降低 DELTA1?
M=1、则 Delta = Delta+1
不应该是 M=0、那么 Delta = Delta-1?
谢谢。
This thread has been locked.
If you have a related question, please click the "Ask a related question" button in the top right corner. The newly created question will be automatically linked to this question.
嗨、大家好、我正在查看 SBAA094、我不明白 SINC 滤波器在 VHDL 代码中有关输入位流的行为:
-... 000000 ... 表示- Vref
-。。111111。。 表示 Vref
-.. 0101010 ..表示0V
复位时 DELTA1设置为0x00 (我们使用十六进制表示法)、但当 Mout = 1时、DELTA1将递增。
无法降低 DELTA1?
M=1、则 Delta = Delta+1
不应该是 M=0、那么 Delta = Delta-1?
谢谢。
很抱歉 Eva,自从我不使用 VHDL 以来已经过去了很多年了,我仍在尝试模拟模块...

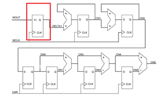
首先、我对 FF1的+/-输入 感到困惑。。。
它看起来是这样的触发器、然后我期望 DELTA1作为 STD_LOGIC、但看一下 VHDL 代码、它似乎是由于 STD_LOGIC_VECTOR 而产生的加法计数器。
总线宽度为25位、那么它是25位 sinc3滤波器还是需要保持额外位的24位滤波器?
在原理图上只能看到2个积分器块、而3个微分器块不应该成对、那么3个和3个都不应该成对?
MMH…… 我进行了仿真、我不知道我错了什么...
我创建了 SDO 信号模拟调制器输出、SCK 是基准时钟、而 SCk4是抽取器的输出时钟。
第一部分是正斜率、其中 SDO 从00000000开始... 至...11111111 (SBAA094的图3)、然后再次返回到00000。
我希望 CN5从0000开始、增加到正值(正斜率结束)、然后返回到0000。
此处使用的代码:
-- sinc3 vhdl code from SBAA094
library IEEE;
use IEEE.std_logic_1164.all;
use IEEE.std_logic_unsigned.all;
entity FLT is
port(RESN, MOUT, MCLK, CNR : in std_logic;
CN5 : out std_logic_vector(4 downto 0)
);
end FLT;
architecture RTL of FLT is
signal DN0, DN1, DN3, DN5 : std_logic_vector(4 downto 0);
signal CN1, CN2, CN3, CN4 : std_logic_vector(4 downto 0);
signal DELTA1 : std_logic_vector(4 downto 0);
begin
process(MCLK, RESn)
begin
if RESn = '0' then
DELTA1 <= (others => '0');
elsif MCLK'event and MCLK = '1' then
if MOUT = '1' then
DELTA1 <= DELTA1 + 1;
end if;
end if;
end process;
process(RESN, MCLK)
begin
if RESN = '0' then
CN1 <= (others => '0');
CN2 <= (others => '0');
elsif MCLK'event and MCLK = '1' then
CN1 <= CN1 + DELTA1;
CN2 <= CN2 + CN1;
end if;
end process;
process(RESN, CNR)
begin
if RESN = '0' then
DN0 <= (others => '0');
DN1 <= (others => '0');
DN3 <= (others => '0');
DN5 <= (others => '0');
elsif CNR'event and CNR = '1' then
DN0 <= CN2;
DN1 <= DN0;
DN3 <= CN3;
DN5 <= CN4;
end if;
end process;
CN3 <= DN0 - DN1;
CN4 <= CN3 - DN3;
CN5 <= CN4 - DN5;
end RTL;
library IEEE;
use IEEE.STD_LOGIC_1164.ALL;
use ieee.numeric_std.all;
-- per le funzioni di output su console
use STD.textio.all; -- basic I/O
use IEEE.std_logic_textio.all; -- I/O for logic types
entity sinc_filter is
end sinc_filter;
architecture Behavioral of sinc_filter is
signal sck, sck4 : std_logic; -- clock signals: sck = clock signal from modulator, sck4 = clock signal for output sampling frequency
signal SDO :std_logic; -- output signal from modulator
signal reset : std_logic; -- reset signal
signal CN5 : std_logic_vector(4 downto 0); -- sinc3 output
-- for debug
constant DataWidth : integer := 6; -- larghezza in bit del bus
signal a_slv : std_logic_vector((DataWidth-1) downto 0); -- se DataWidth is 5 , allora a_slv va da 4 a 0 (5 bit)
signal sck2 :std_logic;
signal w : std_logic;
signal bi : std_logic_vector((DataWidth-1) downto 0);
-- sinc3 filter
component FLT is
port(RESN, MOUT, MCLK, CNR : in std_logic;
CN5 : out std_logic_vector(4 downto 0)
);
end component;
begin
-- qui assegno i segnali al componente in esame
-- port map: component pin => testbench signal
dut: FLT port map (
RESN => reset,
MOUT => SDO,
MCLK => sck,
CNR => sck4,
CN5 => CN5
);
-- qui mi sembra io faccia partire dei processi concorrenti
stim_proc: process
begin
-- hold reset state at startup
reset <= '0';
wait for 1 ns;
reset <= '1';
wait;
end process;
serialize_proc: process
variable b : integer := 0; -- contatore di bit, b7, b6, b5, ....
variable it : integer; -- contatore iterazioni
begin
-- inizializzo le variabili e i segnali
sck <= '0';
sck2 <= '0';
sck4 <= '0';
w <= '0';
a_slv <= (others => '0'); -- inizializzo tutto a 0
wait for 1 ns;
-- da adesso parte la simulazione vera e propria3
for it in 0 to 22 loop
b := (DataWidth); -- se io faccio partire b da 4, allora ho solo 4 passaggi nel ciclo while, se lo faccio partire da 5 allora ne ho 5
while (b>0) loop
bi <= std_logic_vector(to_unsigned(b-1, bi'length));
SDO <= a_slv(b-1);
wait for 10 ns;
sck <= not(sck);
if (sck = '1') then
b := b-1;
sck2 <= not(sck2);
if (sck2 = '1') then
sck4 <= not(sck4); -- sck4 period is 4 times sck period
end if;
end if;
end loop;
if (it < 20) then -- let's shift right to increase density of '1' in SDO signal
a_slv <= a_slv((DataWidth-2) downto 0) & '1';
end if;
if (it > 34) then -- let's shift left to decrease density of '1' in SDO signal
a_slv <= '0' & a_slv((DataWidth-1) downto 1) ;
end if;
w <= not(w); -- for debug purposes only
end loop;
wait;
end process;
end Behavioral;