Other Parts Discussed in Thread: ADS54J69
尊敬的 TI 团队:
在我们由 ADS54J69制成的电路板中、函数发生器低频(1MHz 脉冲)输入的输出如下所示(图1)。
同一函数发生器的示波器输出如所示(图2)。

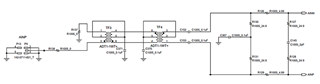
ADS54J69模拟输入与 EVM 板相同的通信模式电路(图5)。
为什么低频输出会有不同的测量结果?

此致、
dkkim.
This thread has been locked.
If you have a related question, please click the "Ask a related question" button in the top right corner. The newly created question will be automatically linked to this question.