Other Parts Discussed in Thread: DAC3482, DAC3484
Thread 中讨论的其他器件: DAC3484
工具与软件:
大家好、团队成员:
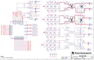
为了评估 DAC3482、我使用的是 EVM、但它只有单端输出、
是否可以在差分模式下工作?
1.请告知如何安装"DNI"电阻以便在差分模式下工作?
2.该评估板上未安装 J1、J4、J5、J8的连接器、我需要使用哪一个连接器?
3.我需要移除平衡-非平衡变压器吗? 哪一个?
4.请告知如何实施 LPF 的260MHz 截止值(需要什么值为 cap/ind )? TI 是否有用于此目的的滤波器仿真器设计工具?
5.如何在以下条件下测试 DAC 的功耗: Fsamp=1GHz 插值因子=2、NCO 和 PLL 关闭?
谢谢!


