工具与软件:
您好!
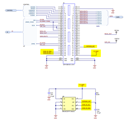
我正在设计一种使用 ADS1278 ADC 并由 FPGA 控制的 PCB。 我们可能在采购使用 FPGA 的电路板时遇到了延迟、并正在寻找另一种从 ADC 读取数据的方法、以便我们可以同时测试其余电路。 我想在 PCB 上添加一个与 ADS1278EVM-PDK 板上的 J5相同的连接器、从而连接到 TI 的 PHI 板并允许使用 TI 软件读取 ADC。 这样一来、如果 FPGA 不在系统中、我仍然可以使用与 TI 评估板上相同的设置与 ADS1278进行通信。
但是、我注意到 ADS1278EVM-PDK 套件中包含的电路板包括一个 EEPROM、该 EEPROM 在启动时由 PHI 板读取、随后不再使用。 显然、我们无法将此 EEPROM 连同 ADS1278-EVM 中包含的任何数据包含在我们的定制设计中。 如果我们在没有此 EEPROM 连接的情况下将 ADS1278EVM 连接到 PHI 板、我们是否仍然能够与 ADC 通信? 或者 PHI 电路板和 TI 软件是否仅在 EEPROM 存在时工作?
谢谢!
露西


