请注意,本文内容源自机器翻译,可能存在语法或其它翻译错误,仅供参考。如需获取准确内容,请参阅链接中的英语原文或自行翻译。
器件型号:LMP92018 工具与软件:
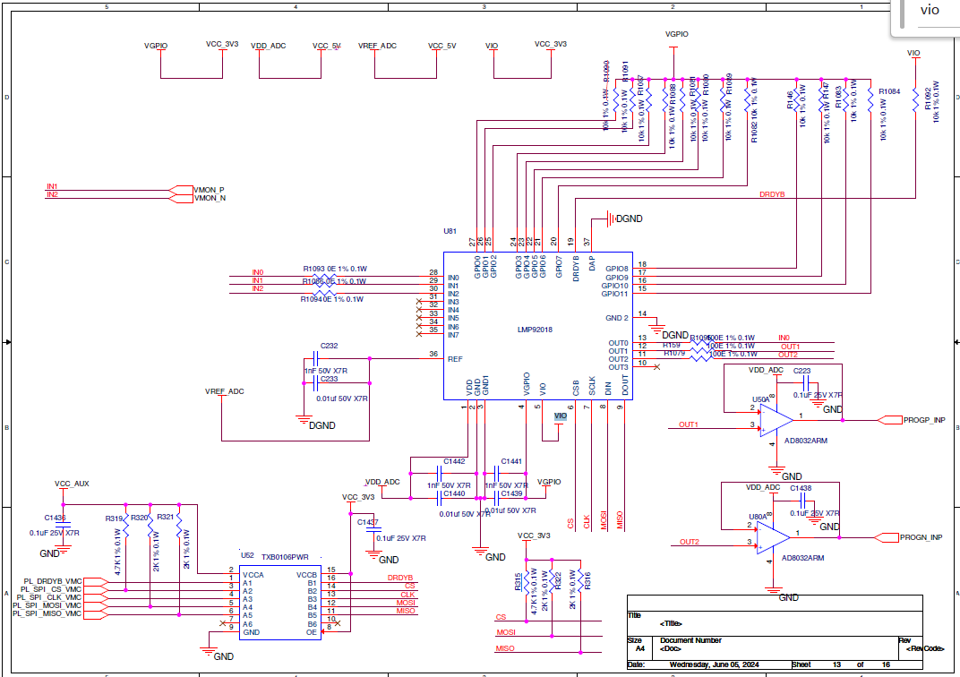
我有一个采用 LMP 92018的板、其中我们将配置 IC 以支持 DAC 运行、下图是原理图

当我在寄存器下方读取芯片组时、我看到 RDY 位响应为0、其中会确认序列有错误、如果我绕过并继续、仍然会发现 DAC 输出电压未设置

可能是什么问题、我检查了 VCC 5V 电源轨和3V3电源轨之间的时间差、看看是否是这个问题、但几乎没有问题
5V 的斜升时间为0.5ms
3V3的斜升时间为0.75ms
这是一个斜坡上升的差异、因为在我的设计中我使用了6508641 PMIC
硬件问题、根据布局错误、5V 电压轨是悬空的、因此我从电路板的不同位置获取5V 电压、并保持向芯片组提供电压
请帮助您了解可能出现的问题、以及如何缓解 RDY 位不为1和芯片无法进一步增强的问题。