Other Parts Discussed in Thread: ADS5271
工具与软件:
尊敬的所有人:
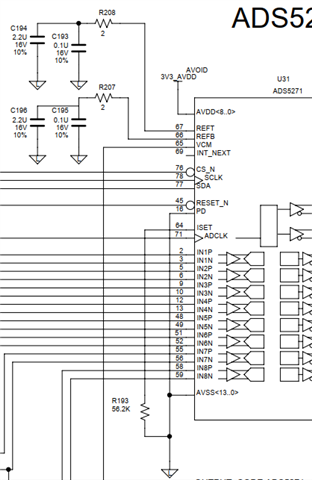
我们在其中一种设计中使用 ADS5271 ADC、尽管我们使用了数据表中推荐的原理图(2 x 2欧姆+电容器且 ISET=56.2k Ω)、但我们已在多个电路板 (可能具有同批次的 ADC)上测得 VREFT–VREFB (1.021V 至1.031V 之间、而数据表中的最大1.025V)(基准电压在生产时进行调整、因此(VREFB)在±25mV 范围内)。
如果不使用2 x 2欧姆+电容器、我们将测量0.995V。
我们如何知道我们测量的1.025V 平均值是否为 正常值或我们是否存在设计问题? 是否有关于 ADS5271布局的任何建议? 这可能会导致测量信号出现2.5%的"错误"误差。
感谢您的帮助


