Other Parts Discussed in Thread: TUSB522P
工具/软件:
尊敬的团队:
在 DS 中、显示 TUSB522P 位于主板中。 能否将其放置在子板上、而主机位于主板上? 主机和转接驱动器之间的距离将超过10000mil、有一条 FFC 线路连接 DB 和 MB。
后续问题是:如何评估线路电容的影响?

This thread has been locked.
If you have a related question, please click the "Ask a related question" button in the top right corner. The newly created question will be automatically linked to this question.
尊敬的 Kailun:
遗憾的是、我们的产品系列中没有任何重定时器、但这种包含单独 MB 和子卡的拓扑更适合重定时器、而不是转接驱动器。 是否能够造成电缆损耗? 我可以尝试使用以下计算器来估计风险:
通过:TI
您好、
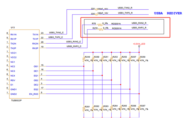
这是原理图审阅。
我们是否有任何关于从 MB 到 TUSB522p 的路径丢失的信息?
尊敬的 Kailun:
[引述 userid="529730" url="~/support/interface-group/interface/f/interface-forum/1496431/tusb522p-can-be-placed-in-daughter-board/5764962 #5764962"]MB 到 DB 之间没有电感器。

这应该是可以的
[引述 userid="529730" url="~/support/interface-group/interface/f/interface-forum/1496431/tusb522p-can-be-placed-in-daughter-board/5764962 #5764962"]客户是否可以在引脚19、20中连接0 Ω 电阻进行调试?

是的、此处的0 Ω 电阻器没有问题。