请注意,本文内容源自机器翻译,可能存在语法或其它翻译错误,仅供参考。如需获取准确内容,请参阅链接中的英语原文或自行翻译。
器件型号:ONET1101L 工具/软件:

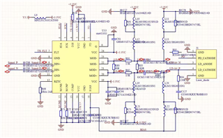
R86和 LD_CTHODE 之间存在差分连接、图中显示了 PCB 布局、其中 R85实际上处于短路状态。

电流现象是、R86焊接了信号质量良好且无明显过冲的49.9R 电阻、但脉冲振幅较低、脉冲驱动电流无法触发 Ld;R86短路处理可能导致脉冲信号变形、但脉冲驱动电流可正常触发 Ld。
芯片输出差分信号的 PCB 接线阻抗为100欧姆;
我想提供有关该芯片输出电流差分信号的 PCB 端子电阻阻抗匹配的建议
我想提供有关该芯片输出电流差分信号的 PCB 端子电阻阻抗匹配的建议
期待您的及时回复。
谢谢、
Adah